EasyManua.ls Logo

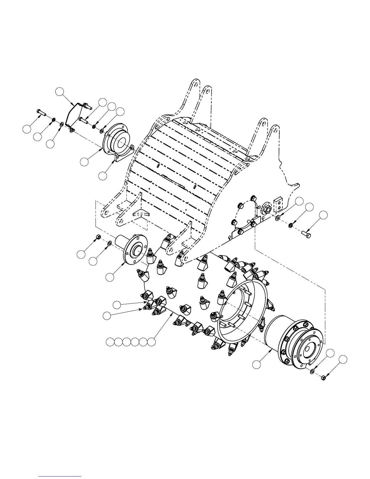
FFC LAF5416 - Roller Assembly; Diagram

FFC LAF5416
39 pages
Print Icon
To Next Page IconTo Next Page
To Next Page IconTo Next Page
To Previous Page IconTo Previous Page
To Previous Page IconTo Previous Page
Loading...
MR25664
24
ROLLER ASSEMBLY
14
12
16
3
14
16
12
1
10
19
17
2
18
13
15
17
19
11
456789
20
21

Other manuals for FFC LAF5416

Related product manuals