EasyManua.ls Logo

Fiamma F45 Eagle - Page 25

Fiamma F45 Eagle
60 pages
Print Icon
To Next Page IconTo Next Page
To Next Page IconTo Next Page
To Previous Page IconTo Previous Page
To Previous Page IconTo Previous Page
Loading...
FIAMMASTORE
25
FUSE
NOT INCLUDED
Light blue
B
Red
6G
NO
FI
PT
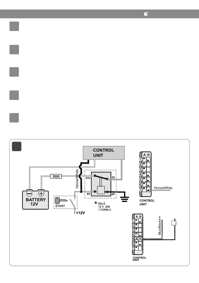
Kobling av gul kabel
Ved å koble til den gule kabelen som vist i skjemaet utelukker du alle eventuelle funksjoner (åpning,
lukking automatisk lukking) av kontrollenheter når tenningen i bilen er på.
Kobling blå kabel
Spesifikk blå kabel for installasjoner på Airstream-enheter.
(Buzzer)
Keltaisen johdon liitäntä
Liittämällä keltainen johto kaavion mukaisesti, suljetaan pois kaikki ohjausyksikön toiminnot (aukaisu,
sulku, automaattinen sulku), kun ajoneuvo on käynnissä.
Sinisen johdon liitäntä
Erityinen sininen johto Airstream-ajoneuvoihin asennuksia varten.
(Buzzer)
Ligação do cabo amarelo
Ligando o cabo amarelo como no esquema, exclui-se quaisquer função (abertura, fecho, fecho
automático) da centralina com quadro do veículo ligado.
Ligação do cabo azul
Cabo azul específico para instalações em veículos Airstream. (Buzzer)
SV
DA
Anslutning av den gula kabeln
Genom att ansluta den gula kabeln enligt schemat förhindras alla funktioner (öppning, stängning,
automatisk stängning) av styrenheten när fordonständningen är på.
Anslutning av den blå kabeln
Blå kabel specifikt för installationer på Airstreams produkter.
(Buzzer)
Det gule kabels tilslutning
Når det gule kabel tilsluttes ifølge skemaet, udelukkes enhver funktion (åbning, lukning, automatisk
lukning) fra styreenheden på panelet med tændt køretøj.
Det himmelblå kabels tilslutning
Himmelblåt kabel der er specifikt til installationer på Airstream-køretøjer. (Buzzer)

Other manuals for Fiamma F45 Eagle

Related product manuals