EasyManua.ls Logo

Filtermaster HP3.8B - Page 19

Filtermaster HP3.8B
19 pages
Print Icon
To Previous Page IconTo Previous Page
To Previous Page IconTo Previous Page
Loading...
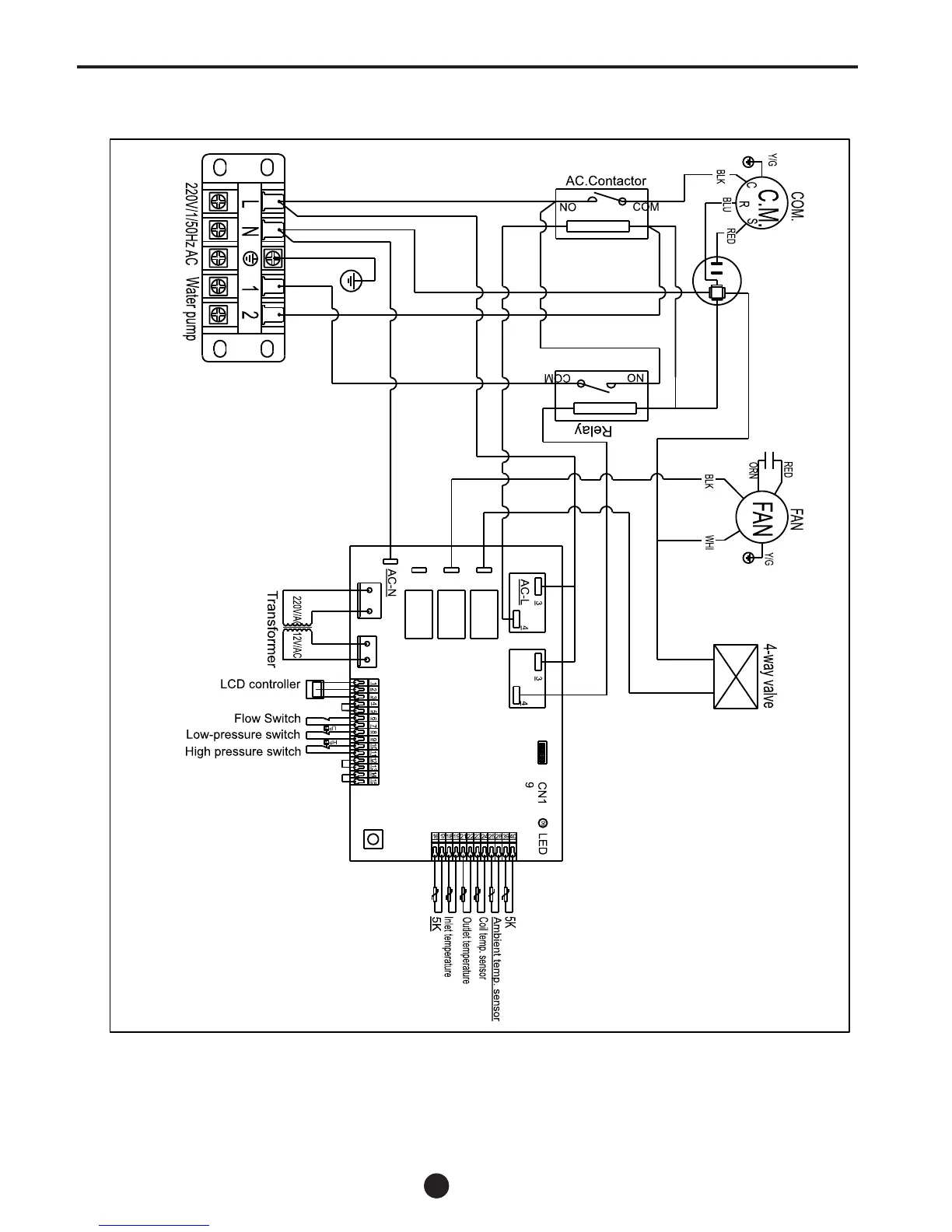
Swimming pool Heat Pump
3
17
Model:HP14A HP17A HP21A