EasyManua.ls Logo

Filtermaster HP3.8B - 7 Wiring Diagram

Filtermaster HP3.8B
19 pages
Print Icon
To Next Page IconTo Next Page
To Next Page IconTo Next Page
To Previous Page IconTo Previous Page
To Previous Page IconTo Previous Page
Loading...
3
16
Swimming pool Heat Pump
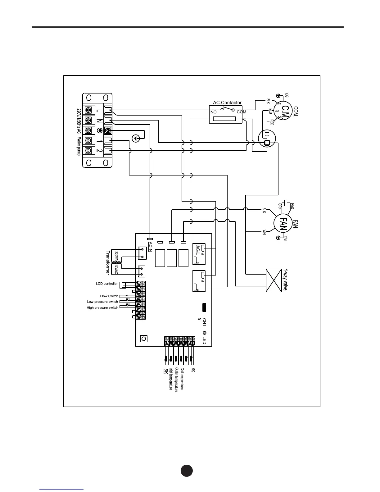
7. Wiring diagram
Model: HP3.8B HP5.6B HP7.8B HP9.5B
Ambient temp.