EasyManua.ls Logo

Finn B-70 - Engine Wiring Harness Parts

Finn B-70
38 pages
Print Icon
To Next Page IconTo Next Page
To Next Page IconTo Next Page
To Previous Page IconTo Previous Page
To Previous Page IconTo Previous Page
Loading...
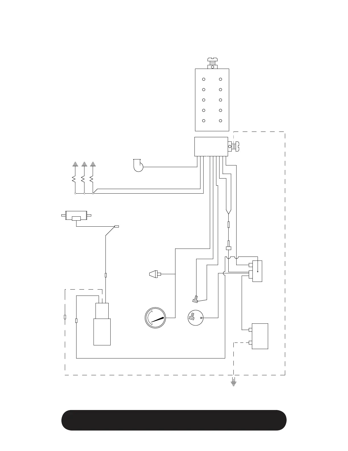
LBB70-SS
26
WHEN ORDERING PARTS, BE SURE TO STATE
SERIAL NUMBER OF MACHINE
50
30
STARTER
BATTERY
ALTERNATOR
GLOW PLUGS
FUEL PUMP
HORN
TEMPERATURE
GAUGE
OIL
SWITCH
BATTERY CABLE
GROUND
STRAP
12 Ga. BLUE
BLACK
BROWN
WHITE
YELLOW
GREEN
BLACK
ORANGE
BLACK
RED
12 Ga. BLACK
BROWN
BLUE
RED
RED
GREEN
BLUE
SHUT DOWN
SYSTEM
BLUE
BLACK
WHITE
5 4 3 2 1
10 9 8 7 6
Orange
Brown Green
Blue Red
Blue Black Green Yellow Red
Black
12 Ga.
16 Ga.
12 Ga.
16 Ga.

Other manuals for Finn B-70

Related product manuals