EasyManua.ls Logo

Finn EAGLE 244D - Page 28

Finn EAGLE 244D
38 pages
Print Icon
To Next Page IconTo Next Page
To Next Page IconTo Next Page
To Previous Page IconTo Previous Page
To Previous Page IconTo Previous Page
Loading...
24
WHEN ORDERING PARTS, BE SURE TO STATE
SERIAL NUMBER OF MACHINE
+
-
FAN
MOTOR
"A"
"M"
"B"
"M"
"S"
To Engine
Ground
Ground
On Control
Panel
Ground
On Frame
To
Starter
White
White
White
Green
Blue
Black
Orange
Black
Ground
Strap
Battery
Cable
2-Cond
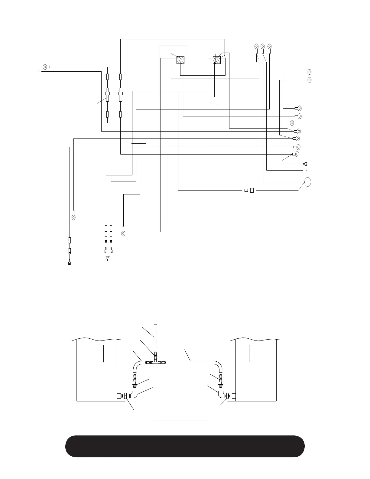
1 Wiring Assembly
2
3
4
5
6
7
8
9
11
6
5
Left Hand
Fuel Tank
#071104
Right Hand
Fuel Tank
#071105
Fuel Line Assembly
Acc.
Plug
12
12
Ground
On Frame
Regulator
Shutdown
Controller
16 Ga. Orange x 6" Lg.
12 Ga. Red x 16" Lg.
E
E
B
Starter
12 Ga. Red x 6" Lg.
7B
Ignition
Switch
"30"
6B
"30"
BB
16 Ga. Red x 5-1/2" Lg.
16 Ga. Black x 6-1/2" Lg.
16 Ga. Black x 6-1/2" Lg.
"50"
7B
J
16 Ga. Yellow x 33" Lg.
16 Ga. Yellow 3-1/2" Lg.
7B
"19"
7B
Glow Plug
Indicator
7B
7B
"17"
7B
Glow Plug
J
J
Hour Meter
"AC"
"AC"
7B
6B
16 Ga. Red x 6" Lg.
BB
16 Ga. Black x 10" Lg.
Black Wire Lead
Black Wire Lead Cut to 3"
KKCC
16 Ga. Green x 6" Lg.
E
E
16 Ga. Red x 12" Lg.
12 Ga. Green x 31" Lg.
16 Ga. Orange x 10-1/2" Lg.
EE
J
Oill Cooler
16 Ga. Red x 40" Lg.
Gen Light
EE
Engine
J
Shut Down
J
EE
#170079
16 Ga. Red x 33" Lg.
3B
16 Ga. Black x 35" Lg.
Pressure
6B
Switch
16 Ga. Brown x 29" Lg.
Alternator
16 Ga. Blue x 26" Lg.
16 Ga. Blue x 26" Lg.
16 Ga. Blue x 26" Lg.
Temp.
Switch
12 Ga. Green x 6" Lg.
12 Ga. Green x 6" Lg.
#170028
30 Fuse & Holder

Related product manuals