EasyManua.ls Logo

Finn EAGLE 250 - Page 28

Finn EAGLE 250
38 pages
Print Icon
To Next Page IconTo Next Page
To Next Page IconTo Next Page
To Previous Page IconTo Previous Page
To Previous Page IconTo Previous Page
Loading...
LBSS250-SM Rev A
24
WHEN ORDERING PARTS, BE SURE TO STATE
SERIAL NUMBER OF MACHINE
+
-
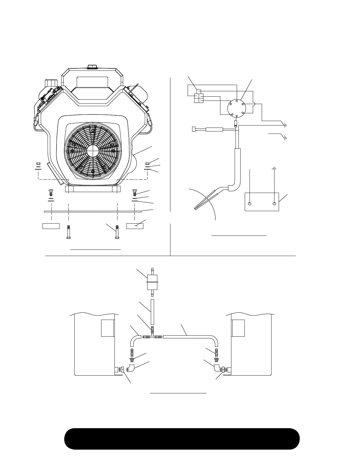
FAN
MOTOR
"A"
"M"
"B"
"M"
"S"
To Engine
Ground
Ground
On Control
Panel
Ground
On Frame
To
Starter
White
White
White
Green
Blue
Black
Orange
Black
Ground
Strap
Battery
Cable
2-Cond
On Frame
1
2
3
4
5
3
4
6
7
8 Wiring Assembly
9
10
11
12
13
14
15
16
17
18
13
12
Left Hand
Fuel Tank
#071104
Right Hand
Fuel Tank
#071105
Engine Assembly
Fuel Line Assembly
Mounting Pad
Acc.
Plug
19
19
Ground
On Frame

Related product manuals