EasyManua.ls Logo

Finn EAGLE 250 - Page 32

Finn EAGLE 250
38 pages
Print Icon
To Next Page IconTo Next Page
To Next Page IconTo Next Page
To Previous Page IconTo Previous Page
To Previous Page IconTo Previous Page
Loading...
LBSS250-SM Rev A
28
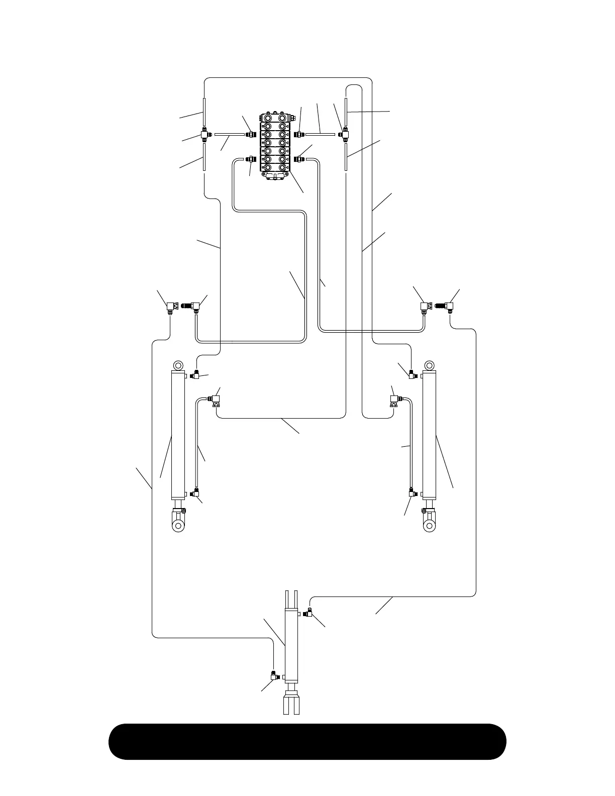
WHEN ORDERING PARTS, BE SURE TO STATE
SERIAL NUMBER OF MACHINE
1
19
19
19
19
46
47
53
45
57
45
54
56
7
59
8
54
54
60
58
45
53
45
57
55
54
7
49
49
48
51
52
48
32
50
50
51
32
52
B
A
B
A
B
A
B
A
B
A
B
A

Related product manuals