EasyManua.ls Logo

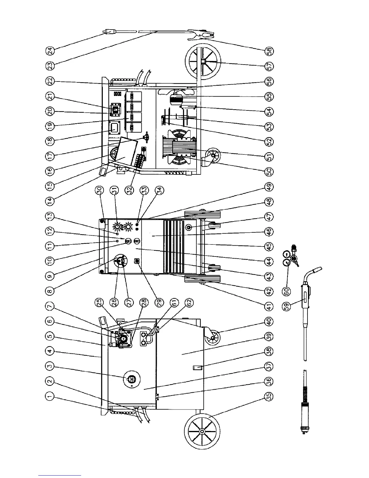
Firepower FP-200 - Figure 8: FP-200 and FP-260

Firepower FP-200
25 pages
Print Icon
To Next Page IconTo Next Page
To Next Page IconTo Next Page
To Previous Page IconTo Previous Page
To Previous Page IconTo Previous Page
Loading...
Figure 8: FP-200 and FP-260
17

Related product manuals