EasyManua.ls Logo

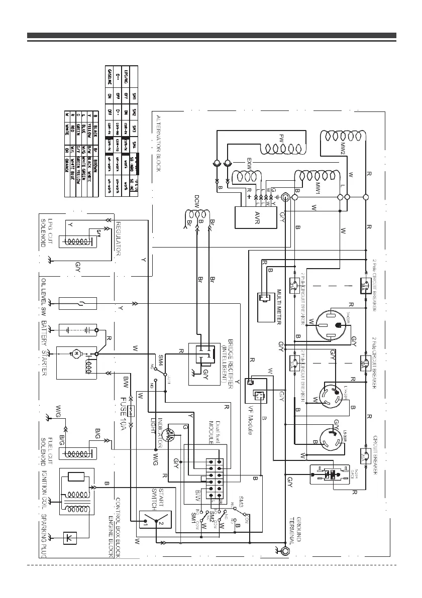
Firman T07571 - Generator Wiring Diagram; Alternator and AVR Connections Diagram; Control Panel and Indicator Wiring Diagram; Power Output and Circuit Breaker Wiring Diagram

Firman T07571
44 pages
Print Icon
To Next Page IconTo Next Page
To Next Page IconTo Next Page
To Previous Page IconTo Previous Page
To Previous Page IconTo Previous Page
Loading...
Parts Diagrams - Parts Lists - Wiring Diagram
English
Customer Service: 1-844-FIRMAN1

Related product manuals