EasyManua.ls Logo

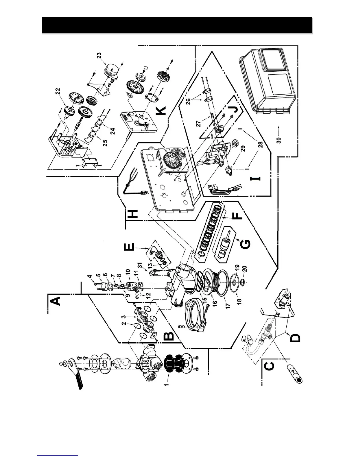
First Sales OXY2-10 - OXY2 Control Valve Breakdown; OXY2 Control Valve Assembly Diagram

Default Icon
23 pages
Print Icon
To Next Page IconTo Next Page
To Next Page IconTo Next Page
To Previous Page IconTo Previous Page
To Previous Page IconTo Previous Page
Loading...
15
OXY2 Control Valve Breakdown