EasyManua.ls Logo

Fishman PRO-EQ PLATINUM - Block Diagram

Fishman PRO-EQ PLATINUM
20 pages
Print Icon
To Next Page IconTo Next Page
To Next Page IconTo Next Page
To Previous Page IconTo Previous Page
To Previous Page IconTo Previous Page
Loading...
17
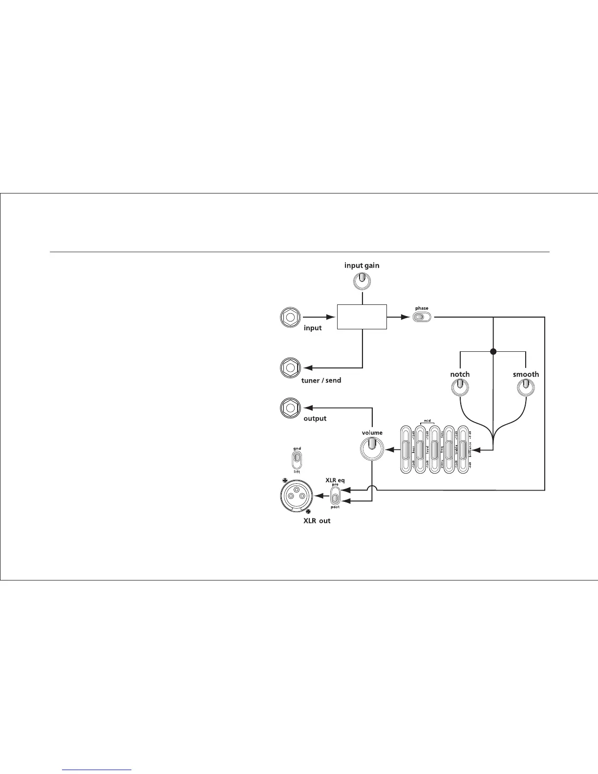
Block Diagram
Note: This diagram is meant only
to describe the signal routing for
the Pro-EQ Platinum and does
not represent the actual electronic
layout of the preamp.
Input Stage