EasyManua.ls Logo

Flightcom 403 - Page 8

Flightcom 403
20 pages
Print Icon
To Next Page IconTo Next Page
To Next Page IconTo Next Page
To Previous Page IconTo Previous Page
To Previous Page IconTo Previous Page
Loading...
CIRCUIT
BREAKER
18
19
20
1
17
21
8
22
23
24
25
7
2
10
9
6
3
14
5
4
13
11
12
16
15
PTT
7
PILOT
MIC
7
2
13
9
HDPH
PTT
6
CO-PILOT
HDPH
MIC
MIC
13
HDPH HDPH
MIC
MIC
13
HDPH HDPHMIC
11
13
16
14
13
PASSENGERS
11
15
4
11
11
11
13
6
3
POWER
12-28V
1AMP
AVIONICS GROUND
TRANSMIT KEYLINE
RECEIVE AUDIO
TRANSMIT AUDIO
ICS
Isolate
FLIGHTCOM 403
Sq Vol
ICS
Squelch Volume
Isolate
403
INTERCOM
Optional
SMALL Pa
nel
FLIGHTCOM 403
Intercom
MIC
HDPH
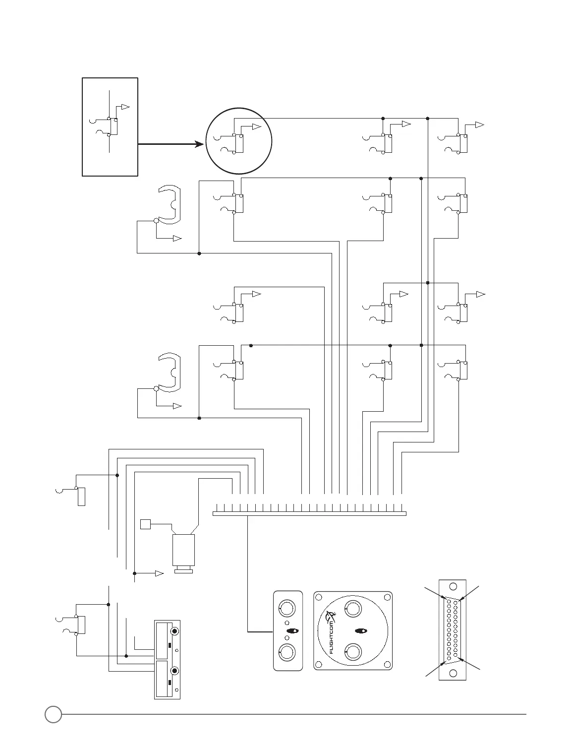
CONNECTIONS TO EXISTING
JACKS
AIRCRAFT RADIO
Rear view (Solder Terminal Side)
of 25 pin D-sub plug (male Pins)
13
25
14
1
TIP
RING
BARREL
NOTES: Auxiliary input is pin no.18.
Isolate all mic
j
acks from airframe.
Figure 8 - Connection Schematic - Mono Mode
6

Related product manuals