EasyManua.ls Logo

Fluo DCT35IUINVR32 - Page 45

Default Icon
240 pages
Print Icon
To Next Page IconTo Next Page
To Next Page IconTo Next Page
To Previous Page IconTo Previous Page
To Previous Page IconTo Previous Page
Loading...
45
GB GB
DC Inverter U-match Series Duct Type Unit
41
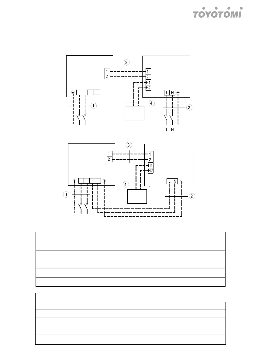
(4) Wire between indoor and outdoor units.
Single-phase unit: 3.5KW, 5.0KW, 7.1KW, 8.5KW
L N
Outdoor Unit
L N
Indoor Unit
Wired
Controller
L1 N1
Power:220-240V~50Hz/208-230V~60Hz
Power:220-240V~50Hz/208-230V~60Hz
breaker
breaker
PE
PE
L N
Outdoor Unit
L N
Indoor Unit
Wired
Controller
L1N1
breaker
Power:220-240V~50Hz/208-230V~60Hz
Power:220-240V~50Hz/208-230V~60Hz
PE
.
Power cord 3×1.5mm²
.
Power cord 1.0mm²
.
Communication Cords 2×0.75mm
2
.
Communication Cords 2×0.75mm
2
.
Power cord 3×2.5mm²
.
Power cord 3×1.0mm²
.
Communication Cords 2×0.75mm²
.
Communication Cords 2×0.75mm²
3.5KW
5.0KW
7.1KW
8.5KW

Table of Contents

Related product manuals