EasyManua.ls Logo

Fluo DCT35IUINVR32 - Page 48

Default Icon
240 pages
Print Icon
To Next Page IconTo Next Page
To Next Page IconTo Next Page
To Previous Page IconTo Previous Page
To Previous Page IconTo Previous Page
Loading...
48
GB
DC Inverter U-match Series Duct Type Unit
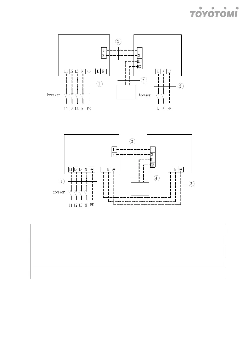
44
Three-phase unit: 16.0KW
Power:380-415V 3N ~ 50Hz/60Hz
Outdoor Unit
Indoor Unit
Wired
Controller
Power:220-240V~ 50Hz/208-230V ~60Hz
Power:380-415V 3N ~ 50Hz/60Hz
Outdoor Unit
Indoor Unit
Wired
Controller
Power:220-240V~50Hz/208-230V~60Hz
. Power cord 5×1.5mm²
. Power cord 3×1.0mm²
. Communication Cords 2×0.75mm²
. Communication Cords 2×0.75mm²
16.0KW

Table of Contents

Related product manuals