EasyManua.ls Logo

FoamPRO 2001 Series - 2 System Overview and Components

Default Icon
44 pages
Print Icon
To Next Page IconTo Next Page
To Next Page IconTo Next Page
To Previous Page IconTo Previous Page
To Previous Page IconTo Previous Page
Loading...
4
Installation and Operation ManualInstallation and Operation Manual
The FoamPro 2000 series systems are electric motor-
driven, flow-based proportioning systems that measure
water flow and then inject the proportional amount of
foam concentrate to maintain the preset percentage.
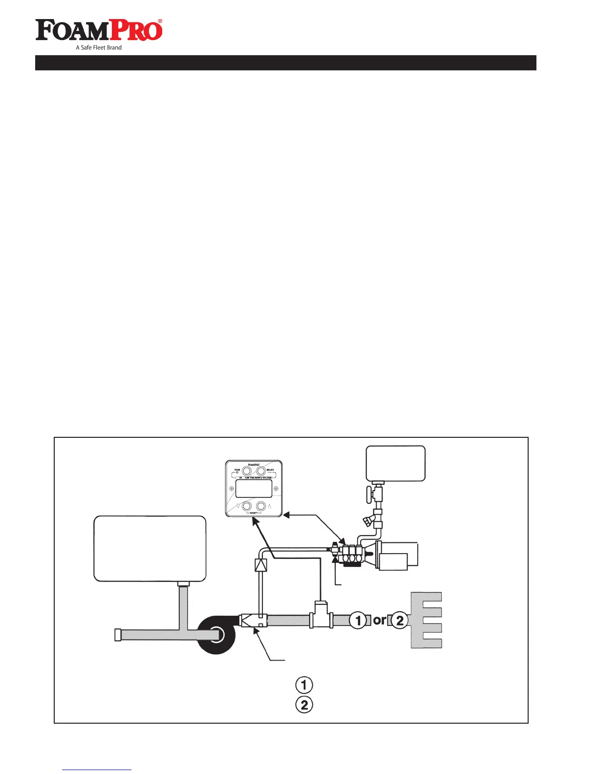
The basic FoamPro 2000 series systems are shown
in Figure 1. The systems will accurately deliver from
0.1% to 10.0% foam concentrate to the foam injector
fitting. The flowmeter measures the water flow and
sends a signal to the Digital Display Control Module.
Another sensing device monitors the foam pump output.
Constant comparison of these two information signals
by the controller ensures maintenance of the desired
proportion of foam concentrate at all times based on
the water flow rate, independent of any variations in
fire pump intake or discharge pressures. As water flow
increases or decreases, the foam concentrate rate of
injection is increased or decreased automatically to
correspond to the water flow.
Foam concentrate is injected directly into the water
stream on the discharge side of the water pump. It is
then fed as foam solution by the main fire pump into a
standard fog nozzle, an air aspirated nozzle, or CAFS
equipment.
Figure 1. FoamPro System Layout
Since foam is injected on the discharge side of the fire
pump and check valves are to be used at installation,
contamination of the booster tank, fire pump and relief
valve with foam concentrate is eliminated.
Order optional system components listed in Section 3 to
accommodate system design and requirements.
2 A Quick Look at How the System Works
Single Discharge Coverage
Multiple Discharge Coverage with Manifold
Water Tank
Calibrate/Inject Valve
Water Pump
Check Valve/Foam Injection Port
Foam Pump
and Motor
Foam Tank
Foam Tank
Shut-Off
Valve
Digital Display
Control Module
Line Strainer
Flowmeter
FoamPro 2000 series systems will pump Class A
and Class B Aqueous Film Forming Foam (AFFF) to
capacity. Many brands of Alcohol-Resistant Aqueous
Film Forming Foam (AR-AFFF) exhibit higher
viscosity characteristics due to chemical composition
and polymers. As viscosity increases, diminished
flow may affect pump performance. Because of
numerous variables; including pump design, foam cell
configuration, inlet piping/components and system
layout; please contact FoamPro at 800-533-9511 for
application-specific recommendations when foam
viscosities of 2000 cps (Brookfield #3 spindle @ 30 rpm)
or higher are used.

Related product manuals