EasyManua.ls Logo

Ford FG7750E - Page 35

Ford FG7750E
37 pages
Print Icon
To Next Page IconTo Next Page
To Next Page IconTo Next Page
To Previous Page IconTo Previous Page
To Previous Page IconTo Previous Page
Loading...
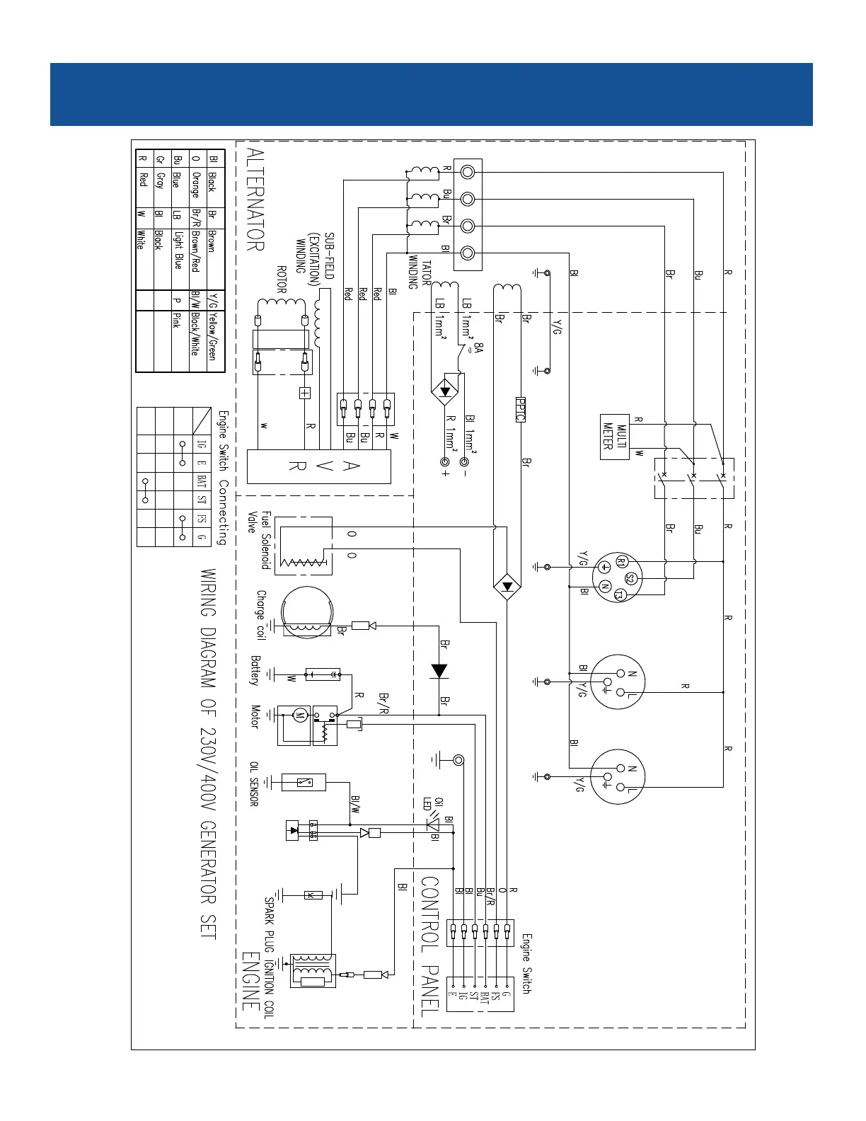
DIAGRAMS
- THREE PHASE ELECTRIC START
35
OFF
ON
START