EasyManua.ls Logo

Formech FM660 - Electrical Wiring Diagram

Default Icon
26 pages
Print Icon
To Next Page IconTo Next Page
To Next Page IconTo Next Page
To Previous Page IconTo Previous Page
To Previous Page IconTo Previous Page
Loading...
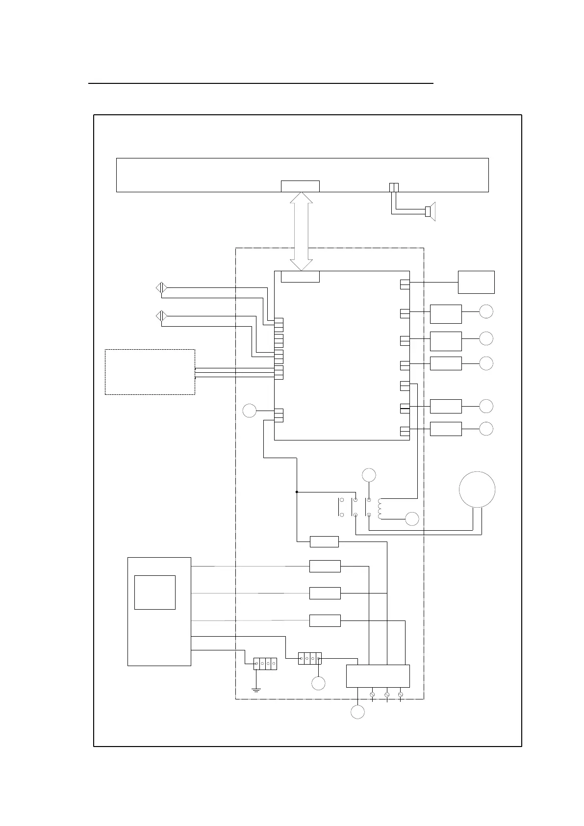
Electrical Box
To fan
Contactor Coil
(fan option
only)
Pre-stretch
Valve Coil
N
Table Down
Valve Coil
(Optional)
N
Pressure
Valve Coil
N
Vacuum
Valve Coil
N
16A
MCB 1
16A
16A
16A
4 Pole Isolator
AC
AC
AC
L1 L2 L3
Vacuum Pump
Motor
6 Zone Heater
L1
L2
L3
L1 to Zone 1
L1 to Zone 2
L2 to Zone 3
L2 to Zone 4
L3 to Zone 5
L3 to Zone 6
N
Beam Sensor
Blue 0V
Brown +12V
Black Signal
System output PCB
Multi function user inferface control panel
IDC - 20 Way
IDC - 20 Way
Table Up
Valve Coil
(optional)
N
N
N
N
Buzzer
Table UP proximity
Sensor
(FM660PT only)
Heater forward,
timer trigger
proximity
Sensor
MCB 2
MCB 3
MCB 4
MCB 2 replaced with 40A for
single phase option ( MCB 3
& 4 ommited)
N
FM660 / FM660PT wiring diagram, Single or Three Phase
Electrical wiring diagram Formech FM660
24