EasyManua.ls Logo

Fourgroup Simplex-Up - Connection Diagrams SIMPLEX-UP-T (Continued); Configuration 3 Wiring Diagram; Configuration 4 Wiring Diagram

Fourgroup Simplex-Up
20 pages
Print Icon
To Previous Page IconTo Previous Page
To Previous Page IconTo Previous Page
Loading...
20
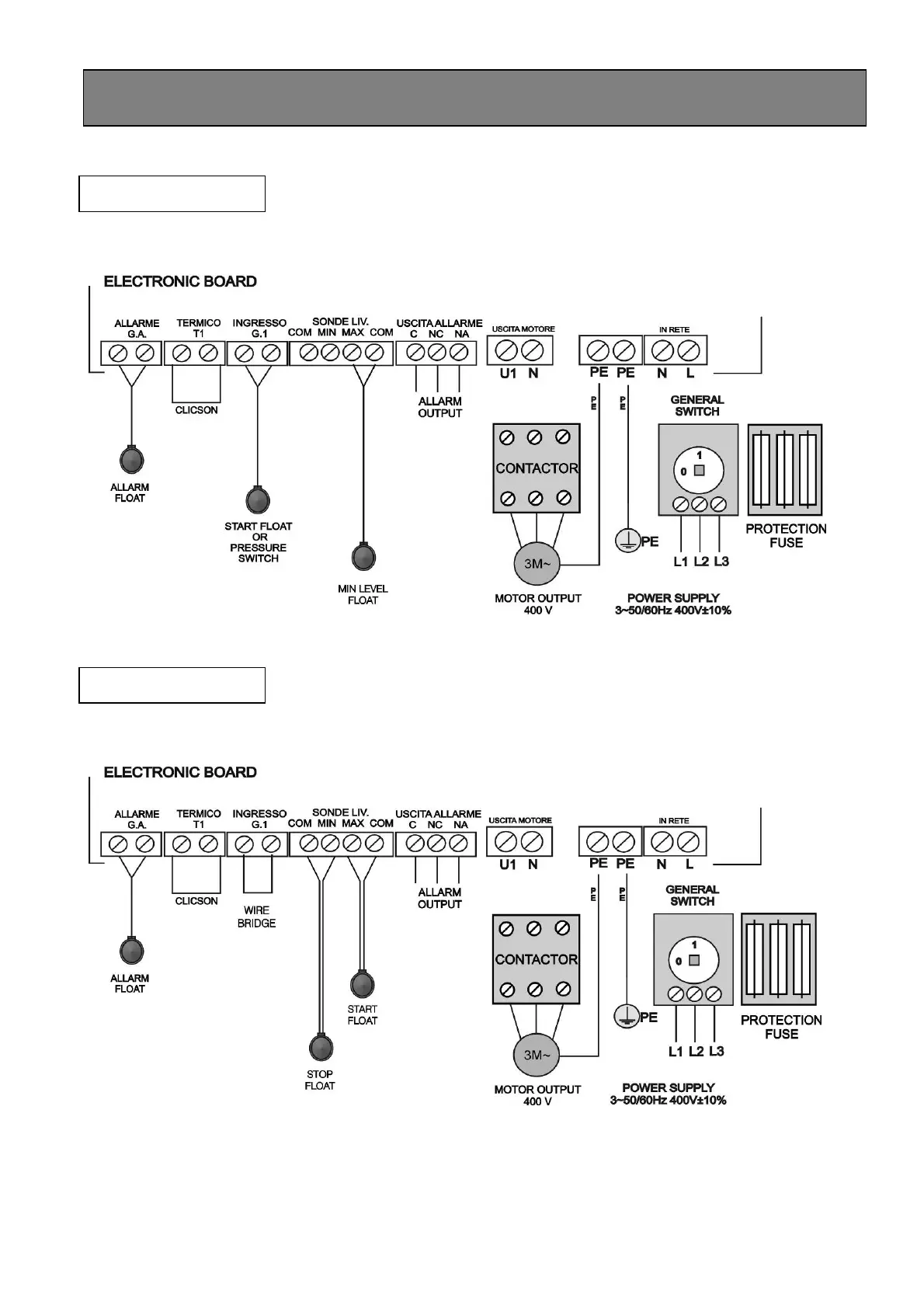
CONFIGURATION 3
CONFIGURATION 4
17d. CONNECTION DIAGRAMS FOR SIMPLEX-UP-T

Related product manuals