EasyManua.ls Logo

FoxESS H1-6.0-E - Page 24

FoxESS H1-6.0-E
44 pages
Print Icon
To Next Page IconTo Next Page
To Next Page IconTo Next Page
To Previous Page IconTo Previous Page
To Previous Page IconTo Previous Page
Loading...
22
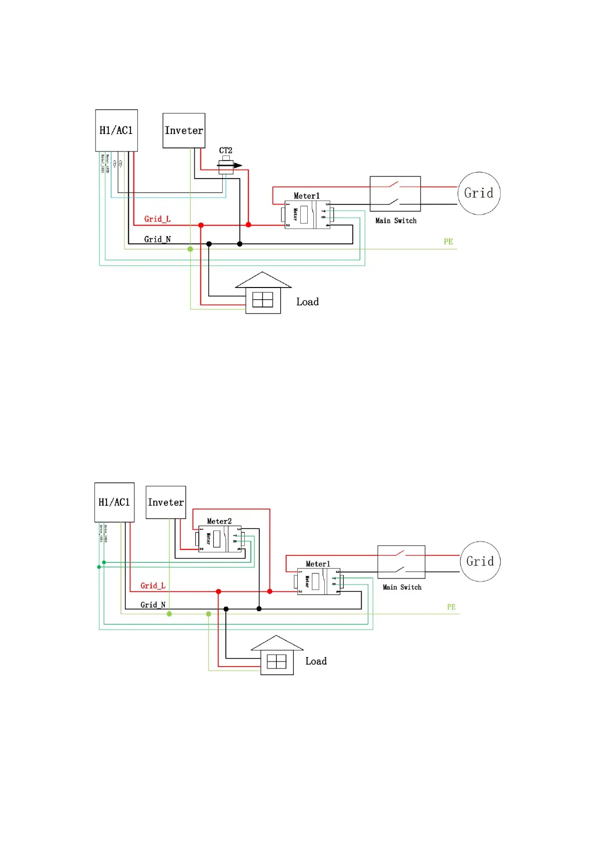
Wiring diagram for solution Meter1+CT2:
Caution: Please do the wiring strictly according to the diagram below, do not exchange Meter1
and Meter2 location in following dual-meter wiring solution, or may lead to unpredictable
malfunction in data-recording. You can discern Meter1 or Meter2 from the package of the Meter.
Default Modbus address for Meter1 is 1, default Modbus address for Meter2 is 2.
Wiring diagram for solution Meter1+Meter2

Related product manuals