EasyManua.ls Logo

FPI U32-LP2 - Wiring Diagram

Default Icon
28 pages
Print Icon
To Next Page IconTo Next Page
To Next Page IconTo Next Page
To Previous Page IconTo Previous Page
To Previous Page IconTo Previous Page
Loading...
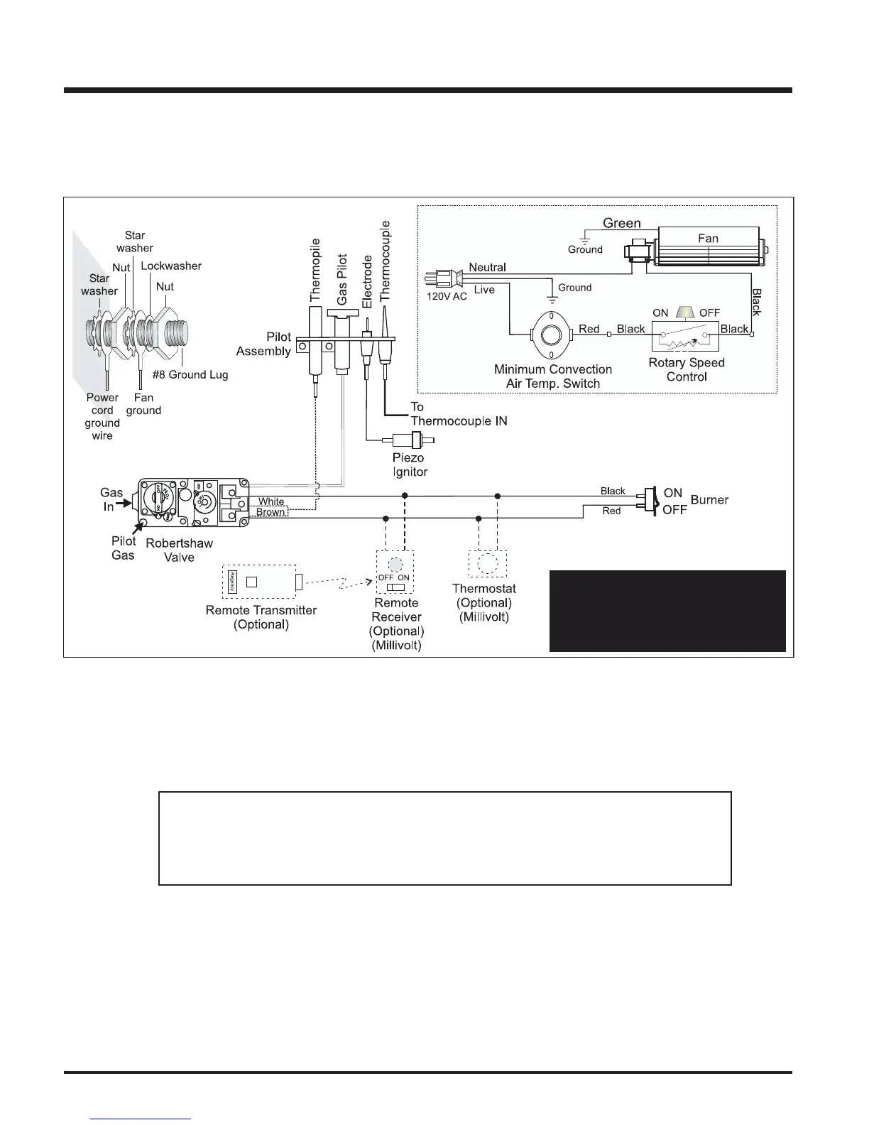
16 U32-2 FPI Direct Vent Gas Insert
WIRING DIAGRAM
This heater does not require a 120V A.C. supply for operation. In case of a power failure, the burner switch and the optional remote control/thermostat
will continue to operate. However, a 120V A.C. power supply is needed for the fan/blower operation.
Caution: Ensure that the wires do not
touch any hot surfaces and are away
from sharp edges.
CAUTION: Label all wires prior to
disconnection when servicing con-
trols. Wiring errors can cause im-
proper and dangerous operation.
WARNING:
Electrical Grounding Instructions
This appliance is equipped with a three pronged (grounding) plug for your protection
against shock hazard and should be plugged directly into a properly grounded three-
prong receptacle. Do not cut or remove the grounding prong from this plug.
INSTALLATION

Related product manuals