EasyManua.ls Logo

Friedrich KCS12A10A - Wiring Diagrams

Friedrich KCS12A10A
91 pages
Print Icon
To Next Page IconTo Next Page
To Next Page IconTo Next Page
To Previous Page IconTo Previous Page
To Previous Page IconTo Previous Page
Loading...
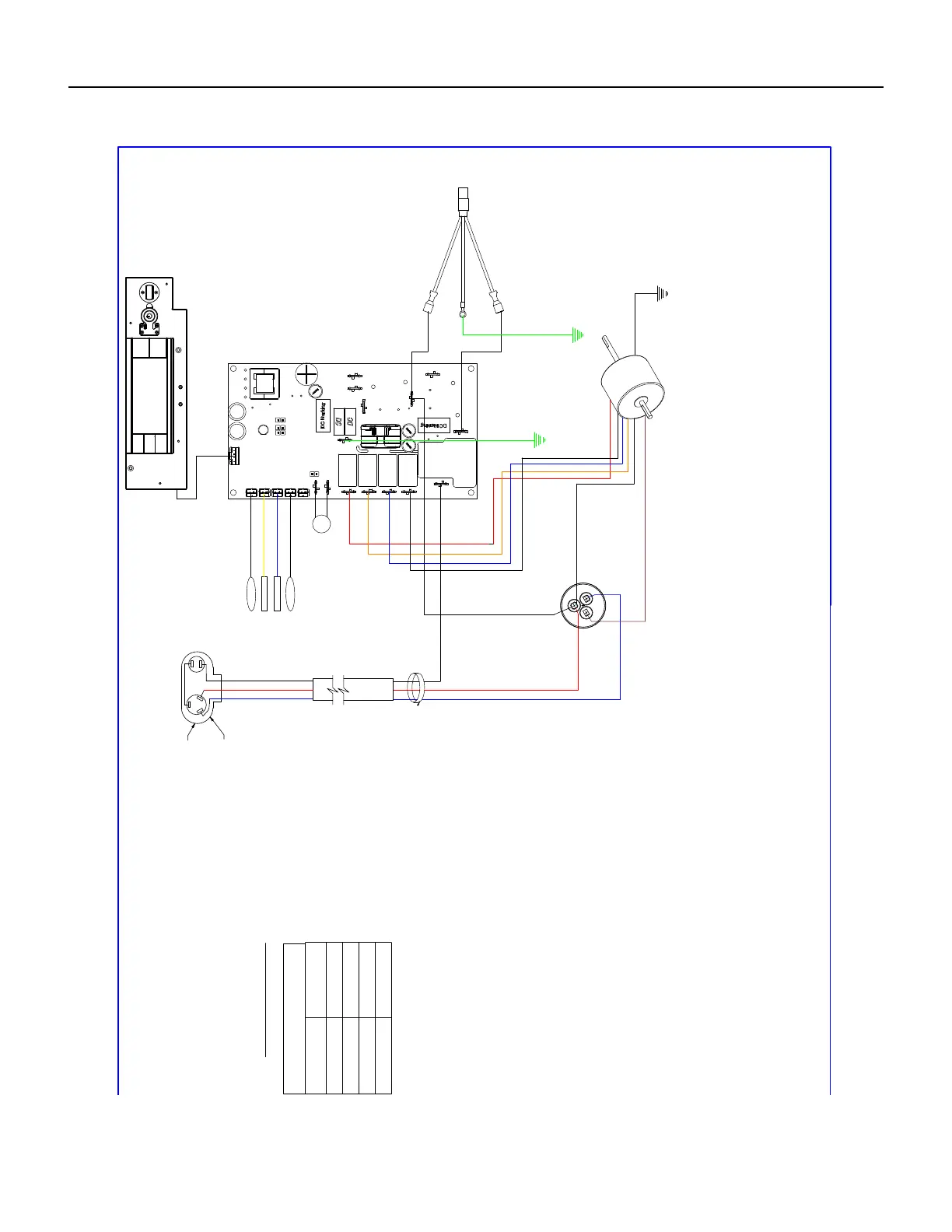
75 PB
R
S
C
-
F
-
-
F
-
-
F
-
R
E
D
B
L
U
E
B
L
A
C
K
F
A
N
H
E
R
M
c
H
P
S
COMP
RELAY
ELEC. HEAT
RELAY 1
ELEC. HEAT
RELAY 2
FAN 1
RELAY
FAN 2
RELAY
FAN 3
RELAY
FAN 4
RELAY
RV SWITCH
RELAY BOARD
BLACK
TERMINAL DETAIL
COMPRESSOR WIRING NOTE:
COMPRESSOR COMMON-START- RUN TERMINAL POSITION
COULD VARY. WIRING SHOWN IS FOR OPERATOR INFORMATIONAL
POINT TO POINT WIRING PURPOSES. REFER TO THE COMPRESSOR
SPECIFICATION AND/OR THE TERMINAL COVER AND/OR TERMINAL
GASKET FOR SPECIFIED COMMON, START, & RUN TERMINAL LOCATION.
OLP JUMPER
IF REQ'D
COMPRESSOR
ASSY PANEL FRONT
RAC GEN IV-USER INTERFACE
TO
DISPLAY
SENSORS
INDOOR COIL
(YELLOW)
OUTDOOR COIL
(BLUE)
DISHCHARGE AIR
(BLACK)
AMBIENT AIR
(WHITE)
RED
BLUE
TO INNERWALL/
MOTOR MOUNT
MOTOR
BROWN
WHITE
WHITE
G
R
E
E
N
WHITE
BLACK
ORANGE
BLUE
BLACK
ELECTRONIC CONTROL
ORANGE
BLUE
BLACK
L1
N/L2
G
R
E
E
N
AMB TEMP SENSOR
ID COIL TEMP SENSOR
OD COIL TEMP SENSOR
DISCH AIR TEMP SENSOR
POWER CORD
RED
RED
TO CHASSIS
TABLE 1
USED ON MODELS
KCS08A10 KCS10A10
KCS12A10 KCS14A10
KCS12A30 KCS16A30
KCM14A10 KCM18A30
KCM21A30
COLOR
WIRING DIAGRAMS
Figure 801 (Wiring Diagrams)

Table of Contents

Related product manuals