EasyManua.ls Logo

Friedrich KCS12A10A - Page 78

Friedrich KCS12A10A
91 pages
Print Icon
To Next Page IconTo Next Page
To Next Page IconTo Next Page
To Previous Page IconTo Previous Page
To Previous Page IconTo Previous Page
Loading...
78 PB
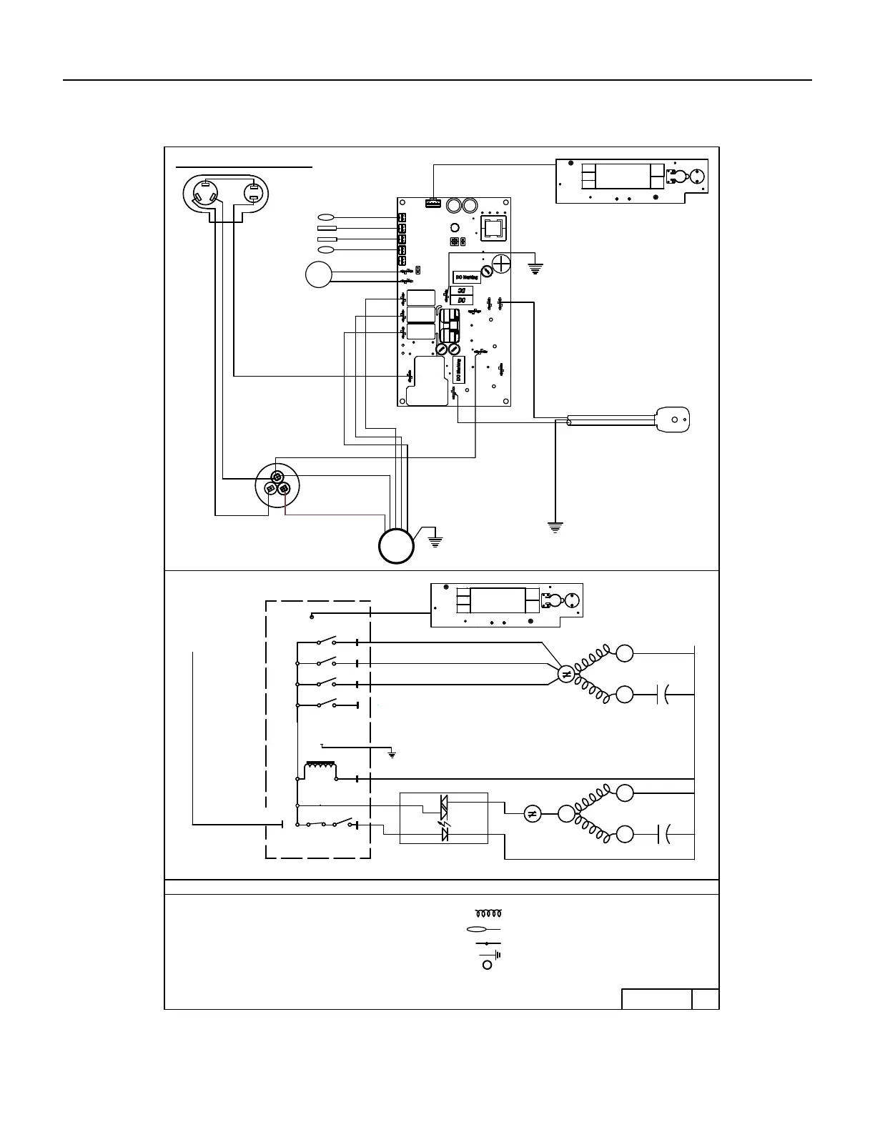
WIRING DIAGRAMS
Figure 803.1 (Wiring Diagrams KCL28A30A-E)
HIGH
MAX
MEDIUM
R
S
R
S
C
ELECTRONIC CONTROL
L1
F4
F3
F1
22100005
COMP
L1
L2 OR N
4
3
1
5
F2
2
L E G E N D
U
I
WIRING DIAGRAM
(230/208 V)
OLP
OLP
COMPRESSOR
HERM C
CAP
MTR
FAN
C
CAP
PART NO. REV.
00
SSR
- THERMISTER
- MTR WINDING
- COMBINATION TERMINAL
- HEATER ELEMENT
- INSULATOR
- GROUNDED LEAD SYMBOL
HTR
- FAN MOTOR
- HIGH PRESSURE SWITCH (IF USED)
- CAPACITOR
HPS
MTR
CAP
- USER INTERFACE
- OVERLOAD PROTECTOR
- THERMAL FUSE
- SOLID STATE RELAY
SSR
UI
TF
OLP
2
1
3
4
SCHEMATIC
- LEAKAGE CURRENT DETECTOR INTERRUPTORLCDI
HPS
BLACK
BLUE
C
H
E
R
M
RED
S
O
L
P
C
TO CHASSIS
BLACK
RED
BROWN
BLUE
BLACK
WHITE
G
R
E
E
N
F
A
N
MTR
R
WHITE
WHITE
F1
RELAY
F2
RELAY
F3
RELA Y
COMP
RELAY
TO CHASSIS
DISCH TEM P SE NSOR
OD COIL TEMP SE NS OR
ID COIL TE MP SENSO R
AMB TE MP SENSOR
HPS IF APP LICABLE
ELECTRONIC CONTROL
POWER SUPPLY
230/208/115VAC
UI
COMPRESSOR
CAP
LCDI
PLUG HEAD
LINE_L1
LINE_L 2

Table of Contents

Related product manuals