EasyManua.ls Logo

Friedrich Wallmaster WCT16A30A - Page 75

Friedrich Wallmaster WCT16A30A
91 pages
Print Icon
To Next Page IconTo Next Page
To Next Page IconTo Next Page
To Previous Page IconTo Previous Page
To Previous Page IconTo Previous Page
Loading...
75 PB
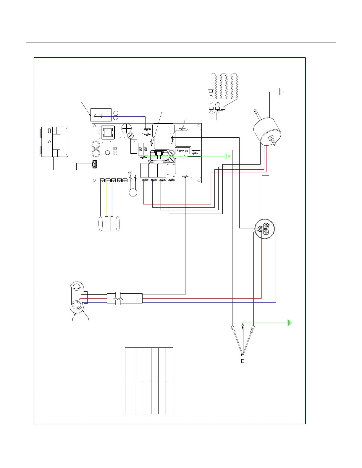
WIRING DIAGRAMS
Figure 802 (Wiring Diagrams)
R
S
C
-
F
-
-
F
-
-
F
-
R
E
D
B
L
U
E
B
L
A
C
K
F
A
N
H
E
R
M
c
H
P
S
HEATER
RELAY
FAN 1
RELAY
FAN 2
RELAY
FAN 3
RELAY
RV SWITCH
RELAY BOARD
COIL
SOLENOID
OLP JUMPER
IF REQ'D
COMPRESSOR
ASSY PANEL FRONT
RAC GEN IV-USER INTERFACE
TO
DISPLAY
Table 1
SENSORS FIND NUM.
INDOOR COIL
YELLOW
OUTDOOR COIL
BLUE
DISHCHARGE AIR
BLACK
AMBIENT AIR
WHITE
RED
BLUE
TO INNERWALL/
MOTOR MOUNT
MOTOR
YELLOW
WHITE
G
R
E
E
N
WHITE
BLACK
RED
BLUE
BLACK
ELECTRONIC CONTROL
RED
BLUE
BLACK
B
L
U
E
B
L
A
C
K
MOUNT SOLENOID WITH
TERMINALS DOWNWARD
EW
L1
N/L2
G
R
E
E
N
AMB TEMP SENSOR
ID COIL TEMP SENSOR
OD COIL TEMP SENSOR
DISCH AIR TEMP SENSOR
HIGH PRESSU
R
E
SWITCH/JUMPER
POWER CORD
TO CHASSIS
B
L
A
C
K
COMP
RELAY
HEATER
RELAY
Y
E
L
L
O
W
O
R
A
N
G
E
WHITE
WHITE
BLA
CK
USED ON MODEL
WHT12A33A

Table of Contents

Other manuals for Friedrich Wallmaster WCT16A30A

Related product manuals