EasyManua.ls Logo

Friedrich Wallmaster WCT16A30A - Page 76

Friedrich Wallmaster WCT16A30A
91 pages
Print Icon
To Next Page IconTo Next Page
To Next Page IconTo Next Page
To Previous Page IconTo Previous Page
To Previous Page IconTo Previous Page
Loading...
76 PB
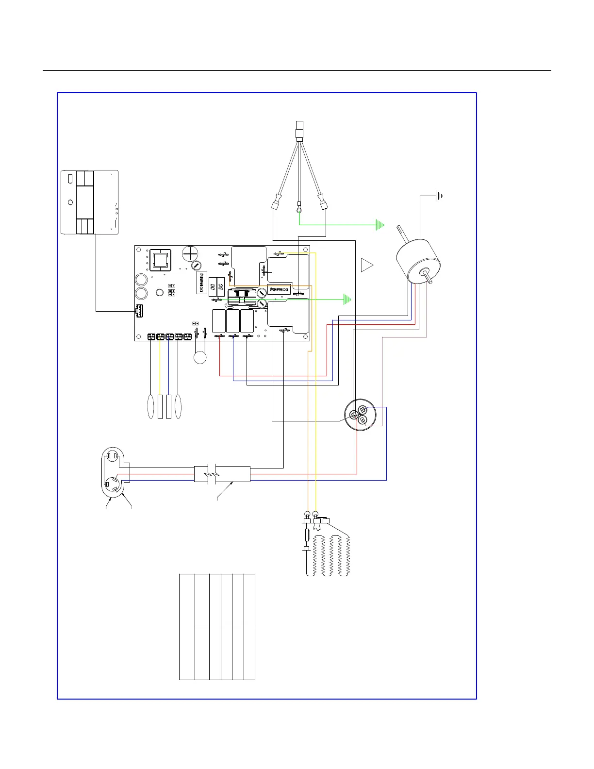
WIRING DIAGRAMS
Figure 803 (Wiring Diagrams)
R
S
C
-
F
-
-
F
-
-
F
-
R
E
D
B
L
U
E
B
L
A
C
K
F
A
N
H
E
R
M
c
H
P
S
COMP
RELAY
ELEC. HEAT
RELAY 1
ELEC. HEAT
RELAY 2
FAN 1
RELAY
FAN 2
RELAY
FAN 3
RELAY
RV SWITCH
RELAY BOARD
BLACK
OLP JUMPER
IF REQ'D
COMPRESSOR
HARNESS COMPR
WIRE
HEATER
ASSY PANEL FRONT
RAC GEN IV-USER INTERFACE
TO
DISPLAY
Table 1
SENSORS FIND NUM.
INDOOR COIL
YELLOW
OUTDOOR COIL
BLUE
DISHCHARGE AIR
BLACK
AMBIENT AIR
WHITE
RED
BLUE
TO INNERWALL/
MOTOR MOUNT
MOTOR
BROWN
WHITE
WHITE
G
R
E
E
N
WHITE
BLACK
RED
BLUE
BLACK
FOR SENSOR
CONNECTIONS
SEE TABLE 1 FOR COLOR
CODE PIN CONNECTIONS
ELECTRONIC CONTROL
RED
BLUE
BLACK
YELLOW
ORANGE
L1
N/L2
G
R
E
E
N
(
O
P
5
0
, 0
6
0
)
AMB TEMP SENSOR
ID COIL TEMP SENSOR
OD COIL TEMP SENSOR
DISCH AIR TEMP SENSOR
HIGH PRESSURE
SWITCH/JUMPER
POWER CORD
CAPACITOR
02
USED ON MODELS
WET10A33A
WET12A33A
WET16A33A

Table of Contents

Other manuals for Friedrich Wallmaster WCT16A30A

Related product manuals