EasyManua.ls Logo

Friedrich Wallmaster WCT16A30A - Page 86

Friedrich Wallmaster WCT16A30A
91 pages
Print Icon
To Next Page IconTo Next Page
To Next Page IconTo Next Page
To Previous Page IconTo Previous Page
To Previous Page IconTo Previous Page
Loading...
86 PB
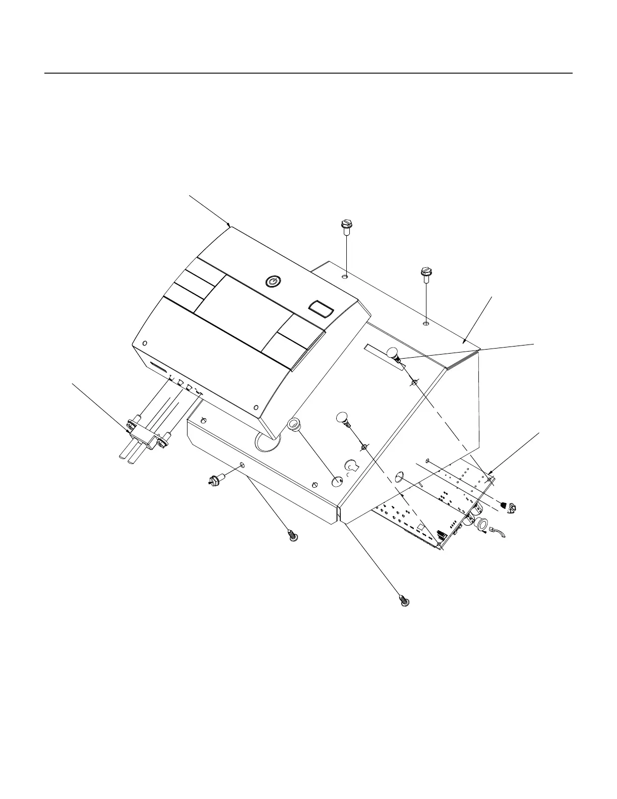
FIgure 904 (User Interface)
PARTS CATALOG
5
10
15
20
30
35

Table of Contents

Other manuals for Friedrich Wallmaster WCT16A30A

Related product manuals