EasyManua.ls Logo

Frigidaire FFGS3025LBB - Page 31

Frigidaire FFGS3025LBB
32 pages
Print Icon
To Next Page IconTo Next Page
To Next Page IconTo Next Page
To Previous Page IconTo Previous Page
To Previous Page IconTo Previous Page
Loading...
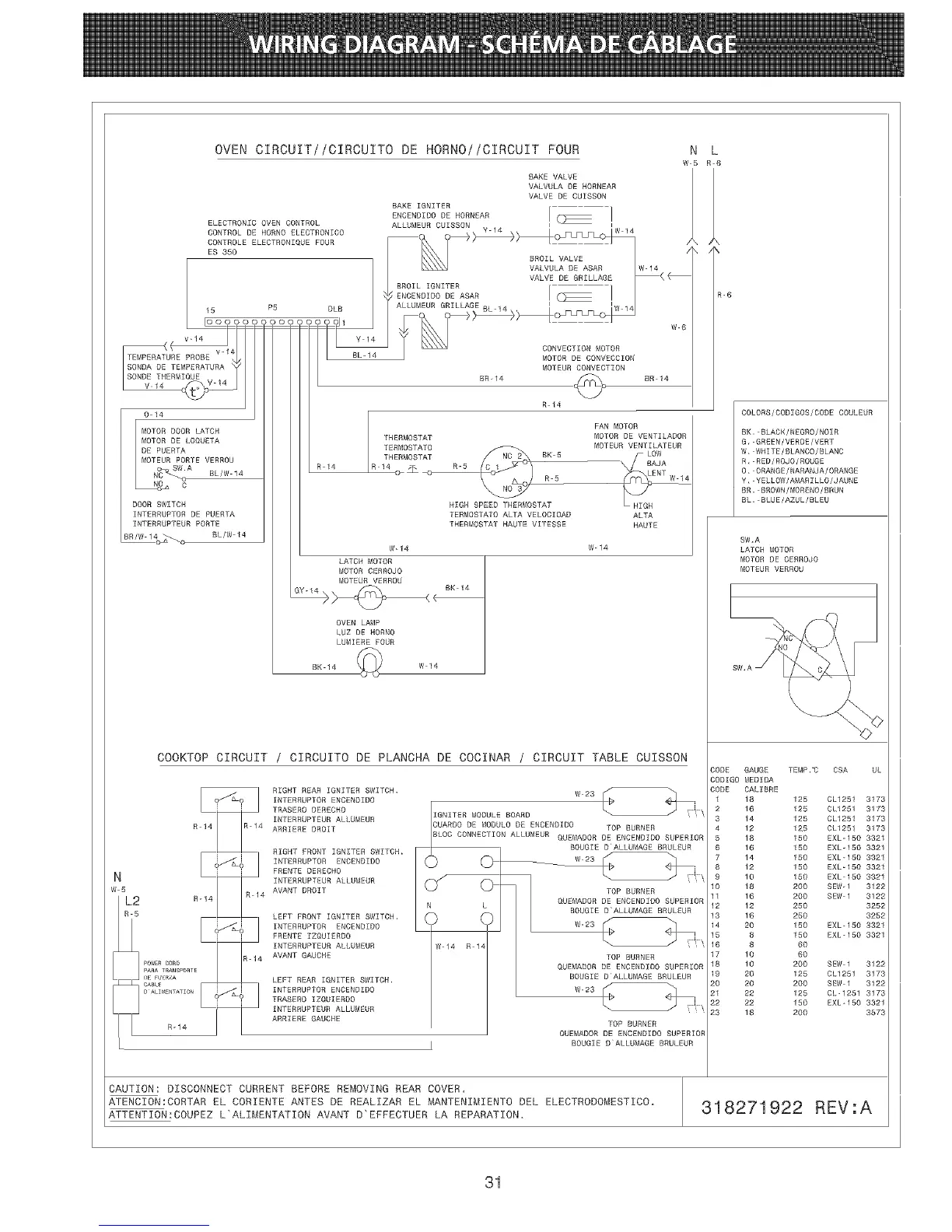
o14
MOTORDOORLATCH
MOTORDELOQUETA
DEPUERTA
MOTEURPORTEVERROU
BL/W14
_2_ c
DOOR SWITCH
INTERRUPTOR DE PUERTA
[NTERRUPTEUR PORTE
BR/W_I4oj_,:> BL/W 14
COOKTOP CIRCUIT
R 14
N
WSL2 R-14
_f%IX_2......
R-14
OVEN CIRCUITi/CIRCUITO DE HORNO//CIRCUIT FOUR
ELECTRONIC OVEN CONTROL
CONTROL DE HORNO ELEOTRONICO
CONTROLE ELECTRONIQUE FOUR
ES 350
BAKE IGNITER
ENOENDIDO DE HORNEAR
BAKE VALVE
VALVULA DE HORNEAR
VALVE DE CUISSON
VALVULA DE ASAR
VALVE DE GRILLAGE
BROIL IGNITER [ /
_ ENCENDIO0 DE ASAR C_
ALLUMEUR GRILLAGE
BL 14 I IW lz
PC OLO t
CONVECTION MOTOR
[ BL-14 MOTOR DE CONVECCION
MOTEUR CONVECTION
BR_14 BR 14
R 14
R 14
THERMOSTAT
TERMOSTATO
THERMOSTAT R.5 _ BK5
R14C_
R_5
HIGH SPEED THERMOSTAT
TERMOSTATO ALTA VELOCIDAD
THERMOSTAT HAUTE VITESSE
W-14
LATCH MOTOR
_IOTOR CERROJO
MOTEUR VERROU
BK 14
FAN MOTOR
MOTOR DE VENTILADOR
MOTEUR VENTZLATEUR
N L
W5 R6
W-14
OVEN LAMP
LUZ DE HORNO
LUMIERE FOUR
BK 14 W 14
/N /
W-14
R-6
ALTA
HAUTE
/ CIRCUITO DE PLANCHA DE COCINAR / CIRCUIT TABLE CUISSON
© C>
N
©
W-14 R 14
W 23 __._
IGNITER MODULE BOARD
CUARDO DE MODULO DE ENCENDIDO TOP BURNER
BLOC CONNECTION ALLUMEUR QUEMADOR DE EHCENDIDO SUPERIOR
BOUGIE DALLUMAGE BRULEUR
W 23
TOR SDRNSR
GOEMADOR DE EHCENDIDO SUPERIOR
BOUGIE D'ALLUMAGE BRULEUR
W-E3 __.
TDP BURNER
GUEMADOR DE ENOENDIDO 3UPERIOR
ROUGIE D_ALLUMWGE RRDLEDR
W-23 __
TOP RURNER
QOEMADOR DE RNOENDIDD 3UPERIO_
BOUGIE D'ALLOMAGE BRDLEUR
RIGHT REAR IGNITER SWITCH.
INTERRUPTOR ENCENDIDO
TRASERO DERECHO
INTERRUPTEUR ALLUMSUR
R 14 ARRIERE DROIT
RIGHT FRONT IGNITER SWITCH.
INTERRUPTOR ENOENDIDO
FREHTE DERECHO
INTERRUPTEUR ALLUMEUR
R 14 AVANT DROIT
LEFT FRONT IGNITER SWITCH,
INTERRUPTOR ENCENDIDOFRENTE IZQUIERDO
INTERRUPTEUR ALLUMEUR
_-14 AVANT GAUCHE
LEFT REAR IGNITER SWITCH,
INTERRUPTOR ENCENDIDOTRASERO [ZQUIERDO
INTERRUPTEUR ALLUIdEUR
ARRZERE GAUCHE
COLORS/CODIGOS/CODE COULEUR
BK. BLACK/NEGRO/NOIR
G,-GREEN/VERDE/VERT
W. WHITE/BLANCO/BLANC
R.-RED/ROJO/SOUGE
O. ORANGE/NARANJA/ORANGE
Y,-YELLOW/_ARILLO/JAUNE
BR, BROWN/MORENO/BRUN
BL. BLUE/AZUL/BLEU
SW.A
LATCR MOTOR
MOTOR DE CERROJO
MOTEUR VERROU
CODE GAUGE TEMP,"C CSA UL
CODIGO MEDIDA
CODE CALIBRE
1 18 125 CL1251 3173
2 16 125 CL1251 3173
3 14 125 CL1251 3173
4 12 125 CL1251 3173
5 18 150 EXL_150 3321
6 16 150 EXL_150 3321
7 14 150 EXL-1SO 3321
8 12 150 EXL-150 3321
9 10 150 EXL 150 3321
10 18 200 SEW-1 3122
11 16 200 SEW 1 3122
12 12 250 3252
13 16 250 3252
14 20 150 EXL-150 3321
15 8 150 EXL-150 3321
16 8 6D
17 10 60
18 10 200 SEW 1 3122
19 20 125 CL1251 3173
20 20 200 SEW 1 3122
21 22 125 CL-1251 3173
22 22 150 EXL-150 3321
23 18 200 3573
CAUTION: DISCONNECT CURRENT BEFORE REMOVING REAR COVER,
ATENCION:CORTAR EL CORIENTE ANTES DE RBALtZAR EL MANTENIMIENTO DEL ELECTRODOMESTICO,
ATTENTION:COUPEZ L'ALIMENTATION AVANT D'EFFECTUER LA REPARATION.
318271922 REV:A
31