EasyManua.ls Logo

Frigidaire GLDB957JB - APPENDIX A - Exploded Views; Control Panel - GLDB958 J

Frigidaire GLDB957JB
65 pages
Print Icon
To Next Page IconTo Next Page
To Next Page IconTo Next Page
To Previous Page IconTo Previous Page
To Previous Page IconTo Previous Page
Loading...
Page 43
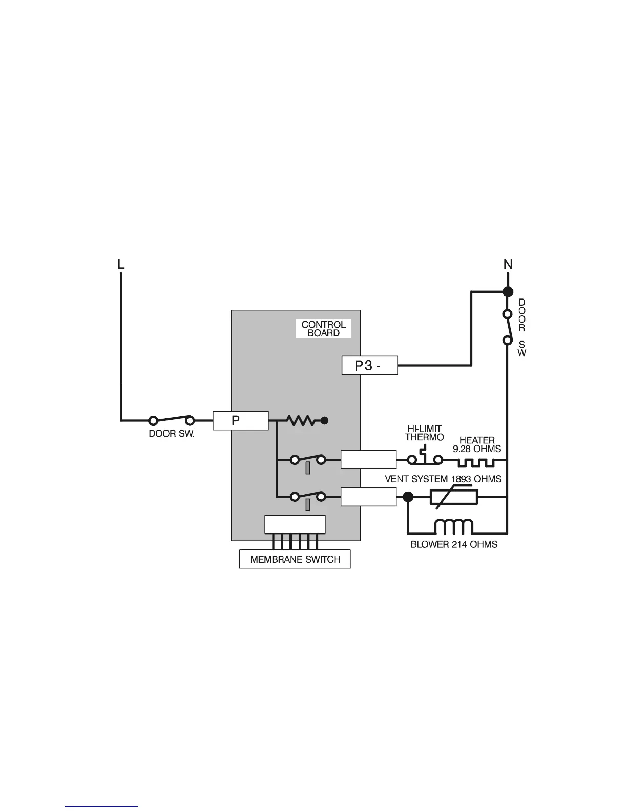
Dishes Are Not Dry
Possible component failure:
1. Heater
2. Hi-limit thermostat
3. Control board
4. Vent mechanism
5. Blower
6. Hot or cool dry switch
8
P5
P10
P3 - 2

Table of Contents

Related product manuals