EasyManua.ls Logo

Frigidaire PLCS389ECI - Page 39

Frigidaire PLCS389ECI
40 pages
Print Icon
To Next Page IconTo Next Page
To Next Page IconTo Next Page
To Previous Page IconTo Previous Page
To Previous Page IconTo Previous Page
Loading...
BR 2
:B14
T.B,
[oi N
[0_ E9
[ ]
TERMINAL BLOCK
BLOQUE DE OONEXION
BLOC DE CONNECTION
BK-2
_R 6
BAKE ELEMENT/ELEMENTO
DE HORNO/ELEMENT
CUISEOV
BROIL ELEMENT/ELEMENTO
DE ASADO/ELEMENT GRIL
_CCL Yl
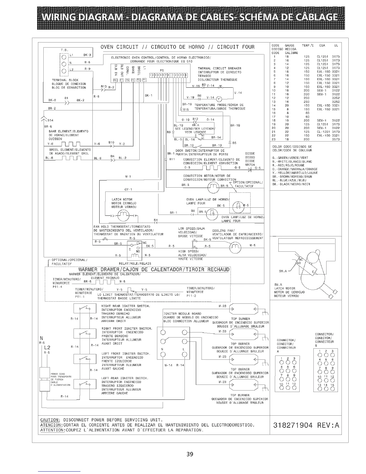
OVEN CIRCUIT // CIRCUITO DE HORNO // CIRCUIT FOUR
BK-9 I
ELECTRONIC OVEN CONTROL/CONTROL DE HORNO ELECTRONICO/
W 5 COMMANDE FOUR ELECTRONIQUE ES 510
BIO Y 2
Y6 ) _....._
B4 BL_2
BL 6 >_
W 1
GY 1
LATCH VOTOR
MOTOR CERROJO
VOTEUR VERROU
FAN HOLD THERVOSTAT/TER_OSTATO
DE NANTENIMIENTO DEL VENTILADOR/
THERMOSTAT DE MAINTIEN DU VENTILATEUR
R-5
BR-5
CODE GAUGE TEMP."O CSA UL
CODIGO MEDIDA
CODE CALIBRE
1 18 125 CL1251 3173
2 16 125 CL1251 3173
3 14 125 CL1251 3173
4 12 IE5 CL1251 E173
5 18 150 EXL 150 3321
6 16 150 EXL-150 3321
7 14 150 EXL-150 3321
8 12 150 EXL 150 3321
9 10 150 EXL-150 3321
10 18 200 SEW 1 3122
11 IB 200 SEW1 3122
12 12 250 3252
13 16 250 3252
14 20 15E EXL-150 3321
15 8 150 EXL 150 3321
IE 8 BE
17 10 BE
18 10 20E SEW-1 3122
19 20 1E5 CL1251 3173
20 20 20E SEW 1 3122
21 22 125 CL-1251 3173
22 22 15E EXL 150 3321
2E 18 20E 3573
COLOR CODE/OOOIGOS DE
COLOR/CODE DE COULEUR
G, GREEN/VERDE/BERT
W. WHITE/BLANCO/BLANC
R,-RED/ROJO/ROUGE
O._ORANGE/NARANJA/ORANGE
Y,wYELLOW/AVARILLO/JAUNE
BR, BROWN/bIORENO/BRUN
BL,-BLUE/AZUL/BLEU
BK. BLACK/NEGRO/NOIR
R 14
N
W- 5
L2 n 14
PARARANSPORTE
DE FUERZ,_
CABLE
D ALI},IENTATION
DOOR SWITEH/INTERRUPTOR DE
BR-1PUERTA/INTERRUPTEUR DE PORTE
DIODE
DIODO
Bll CONVECTION ELEMENT/ELEMENTO DE DIODE
CONVECCION/ELEMENT CONVECTION MR754
oB CI CLYh oB
CONVECTION MOTOR/MOTOR DE
CONVECOION/MOTEUR CONVECTION
OPTIOV/OFOIONAL/
BR 5 gR-5_
FACULTATIF
N
BR I
OVEN LAMP/LUZ DE HORNO/i
LAMFE FOUR
BK 5
OVEN LAMP/LUZ DE HORNO,
LAMPE FOUR
LOW SPEED/BAJA
VELOC [DAD/ COOLING FAN/
BASSE VITESSE
R 5 l_ R 5
HIGH SPEED/
R_5 AL'fA VELOCI DAD /
OPTIONAL/OPCIONAL/ SAUTE VITESEE
_ FACULTATIF RELAY/RELE/RELAIE
i
l WARNER DRAWER/CAJON DE CALENTADOR/TIROIR RECHAUD
WARMER ELENENT/ELEMENTO DE OALENTADOR/
[ TIMER/MINUTERO/ ELEMENT RECHAUD
i VIRUTERIE BE-E_LCI W-S i
Pll 4 [
TIMER/MINUIERO/ Y-5 _L_ Y-s TIMER/MINUTERO/ [
MINUTERIE
NINUTERIE LO LIMIT THERMOSTAT/TERMOSTATO DE LIMITO LO/ P11-2
PI1 1
THERMOSTAT BABSE L!_ITE
L . i
_ RIGHT REAR IGNITER SWITCH,
INTERRUPTOR ENCENDIDO
TRASERO DERECHO
R-14 INTERRUPTEUR ALLUNEUR
ARRIERE DROIT
RIGHT FRONT IGNITER SWIICH,
_ INTERRUPTOR ENCENDIDOFRENTE OERECHO
INTERROPTEUR ALLUVEUR
R-14 AVANT DROIT
LEFT FRONT IGNITER SWITCH.
_ I NTERRUPTOR ENCENDIDOFRENTE IZQUIERO0
I NTERRUPTEUR ALLUMEUR
R 14 AVANT GAUCHE
LEFT REAR IGNITER SWITCH.
_ INTERRUPTOR ENCEVDIDOIRASERO IZQUIERDO
I NTERRUPTEUR ALLUMEUR
ARRIERE GAUCHE
R 14
SW.A X
LATCH MOTOR
MOTOR DE CERROJO
BOTEUR VERROU
TOP BURNER
QUEMADOR DE ENCENDIDO SUPERIOR
BOUGIE DALLU_IAGE BRULEUR
TOP BURNER
QUEMADOR DE ENCENOIDO SUPERIOR
BOUGIE DALLUMAGE BRULEUR
CAUTION: DISCONNECT POWER BEFORE SERVICING UNIT.
ATENCION:OORTAR EL CORIENTE ANTES DE REALIZAR EL MANTENIMIENTO DEL ELECTRODOMESTICO.
ATTENTION:COUPEZ L'ALIMENTATION AVANT D'EFFECTUER LA REPARATION.
CONNECTOR/
CONECTOR/
CONVECTOR/ CONNECTEUR
CONECTOR/ B
CONNECTEUR
A 1 2 3
©©©
4 5 B
©©©
7 E 9
©©©
10 11 12
©©©
13 14 15
©©©
318271904 REV:A
39

Related product manuals