EasyManua.ls Logo

Frigidaire PLCS389ECI - Page 40

Frigidaire PLCS389ECI
40 pages
Print Icon
To Previous Page IconTo Previous Page
To Previous Page IconTo Previous Page
Loading...
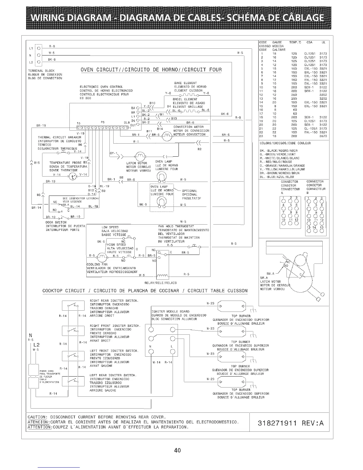
LliOi RR
N O I w5
L2JO! BK6
il
TERMINAL BLOCK
BLOQUE DE CONEXION
BLOC DE CONNECTION
ELECTRONIC OVEN CONTROL
CONTROL DE HORNO ELECTRONICO
CONTROLE ELECTRONIQUE FOUR
ES 350
BR-19
V-19
THERMAL CIRCUIT BREAKER
INTERRUPTOR DE CIRCUITO
TEBMICO B6
DISUONCTEUR THERMIQUE
0_0 V !4
)B15 TEMPERATURE PROBE B3
SONOA BE TEMPERATURA
SONDE THERMZQUE
V-14
BR-19 BR 1 [_ BR 5
BE o l
DOOR SWITCH
INTERRUPTOR DE PUERTA LOW SPEED
INTERRUPTEUR PORTE BAJA VELOCIBAD
BASBE VITESSE
W-5
W 5
OVEN CIRCUIT//CIRCUITO DE HORNO!/CIRCUIT FOUR
BAKE ELEMENT
ELEMENTO DE HORNO
ELEMENT CUISSON
Y B O" Ill FLc> Y 6
LATCH MOTOR OVEN LAMP
MOTOR CERROJO LUZ DE NORNO
MOTEUR VERROU LUt_IIEBE FOUR
[OVEN LAMP i
BK 6
R-B
BR-5
W-5
W 5
iLUZ BE BORNO_OPTIONAL
iLUMIERE FOUR i OPCIONAL
FACULTATIF
W5
W-5
FAN HOLD TBERf£1OSTAT
TERtv1OSTATO DE MANTENIMIENTO
DEL VENTILADOR
THERMOSTAT DE t_AINTIEN
DU VENT_LATEUR
R_ 5 ©_b
BR 5
W5 R5
R_R
RELAY/RELE/RELAIS
COOKTOP CIRCUIT
R-14 R 14
N E'_
R_5
L2 R14 R 14
w 5
R 14
I I DE FUEaZA _
El.....
o ALIME[TATIO[
R-14
/ CIRCUITO DE PLANCHA DE COCINAR / CIRCUIT TABLE CUISSON
RIGHT REAR IGNITER SWITCH,
INTERRUPTOR ENCENDIDO
TBASERO DERECBO
INTERRUPTEUB ALLUMEGR
ABRIERE ORBIT
RIGHT FRONT IGNITER SWITCH.
INTERRUPTOR ENCENDIDO
FRENTE DEBECHO
ZNTBRRUPTEUR ALLUMEUR
AVANT ORBIT
LEFT FRONT IGNITER SWITCH.
INTERRURTOR ENCENDIDO
RREMTE IZGUIERDO
INTERRUPTEUR ALLUMEUR
AVANT GAUCHE
LEFT REAR IGNITER SWITCH.
INTEBRUPTOR ENOENDIDO
TBASEBO IZQUIERDO
INTERRUPTEUR ALLUMEUR
ARRIERE GAUCHE
CODE GAUGE TEMP,"C CSA UL
CODIGO MEDIBA
CODE CALIBRE
1 18 125 CL1251 3173
2 16 125 BL1251 3173
3 14 125 CL1251 3173
4 12 125 CL1251 3173
5 18 150 EXL-IBO 3321
B 16 150 EXL-150 3321
7 14 150 EXL-150 3321
8 12 150 EXL 150 3321
9 10 150 EXL-150 3321
10 18 200 SEW-1 3122
11 16 200 SEW 1 3122
12 12 250 3252
13 16 250 3252
14 20 150 EXL-150 3321
15 8 150 EXL 150 3321
16 8 60
17 10 60
18 10 200 SEW-1 3122
19 20 125 CL1251 3173
20 20 200 SEW-I 3122
21 22 125 CL-1251 3173
22 22 150 EXL 150 3321
23 18 200 3573
COLORS/COBIGOS/CODE COULEUR
BK. BLACK/NEGRO/NOIR
G, GREEN/VERDE/VERT
W,-WMITE/BLANCO/BLANC
R, RED/ROJO/ROUGE
O, ORANGE/NARANJA/ORANGE
Y. YELLOW/AMARILLO/JAUNE
BB,-BROWN/MOBENO/BRUN
BL. BLUE/AZUL/BLEU
CONNECTOR CONNECTOR
CONECTOR CONECTOR
CONNECTEUR CONNECTEUR
A B
66&I 6661
666 666
666
SW,A
LATCH MOTOR
MOTOR DE CERRO
bIOTEUR VERROU
w23
TOP BURNER
OUEMADOR DE ENCENDIDO SUPERIOR
BOUGIE B ALLUfvlAGE BRULEUB
w23
TOP BURNER
QUEMADOR DE ENCENDIBO SUPERIOR
BOUCLE D'ALLUMAGE BRULEUB
g
TOP BURNER
QUEMADOR DE EMCEMDIDO SUPERIOR
BOUGIE D ALLUI_AGE BRULEUR
w23 ;,
TOP BURNER
QUEMADOR BE ENCENDIOO SUPERIOR
BOUGIE D'ALLUMAGE BRULEUR
CAUTION: DISCONNECT CURRENT BEFORE REMOVING REAR COVER.
ATENCION:CORTAR EL CORIENTE ANTES DE REALIZAR EL MANTENINIENTO DEL ELECTRODOMESTICO,
ATTENTtON:COUPEZ L'ALtNENTATtON AVANT D'EFFECTUER LA REPARATION.
318271911 REV:A
40

Related product manuals