EasyManua.ls Logo

Frigidaire PLMV178HC - Schematic Diagrams; Electrical Schematic Diagram

Frigidaire PLMV178HC
30 pages
Print Icon
To Previous Page IconTo Previous Page
To Previous Page IconTo Previous Page
Loading...
Page 30
- 30 -
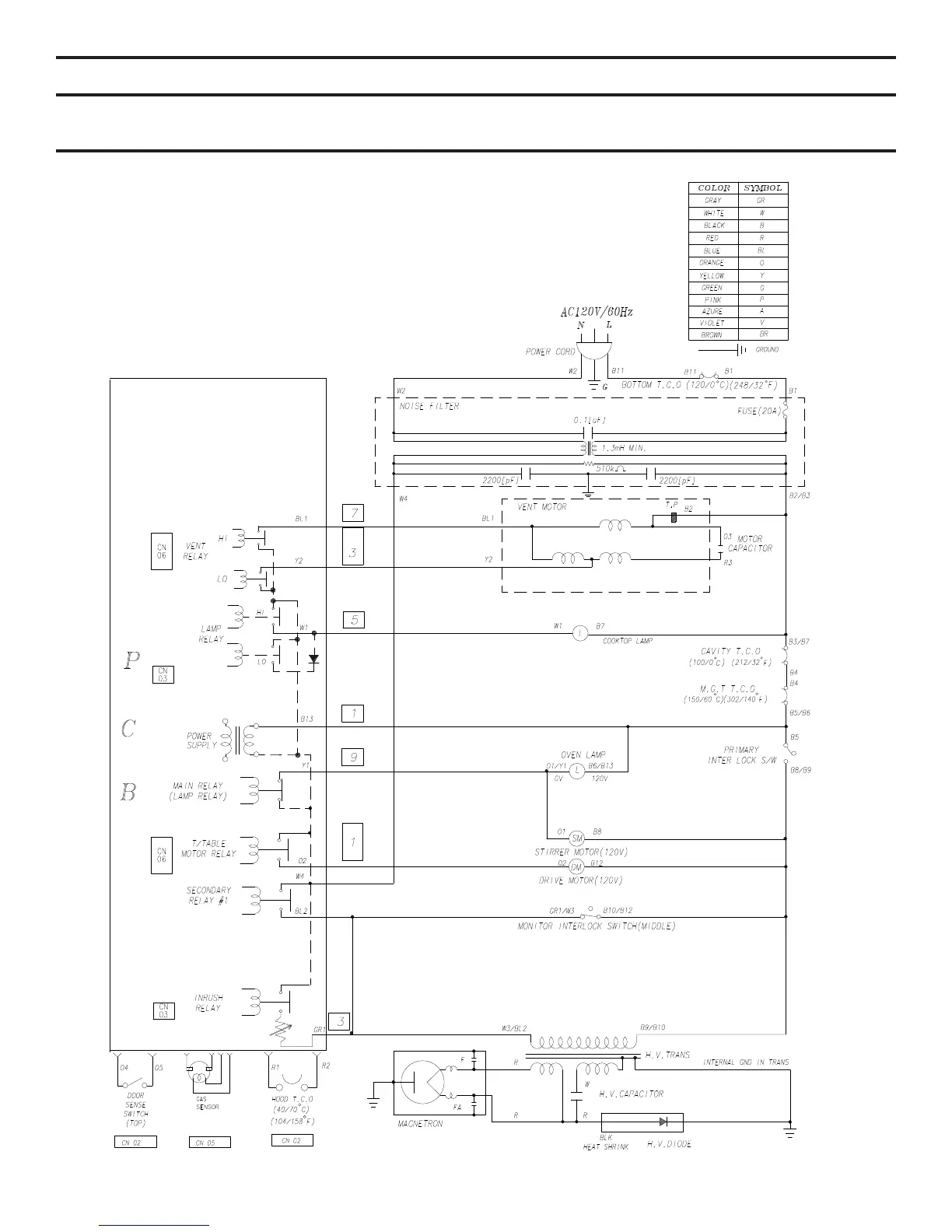
10. Schematic Diagrams
10-1 Schematic Diagrams
9. Schematic Diagrams
9-1 Schematic Diagrams

Table of Contents

Related product manuals