EasyManua.ls Logo

FRIMEC FCR200E - Wiring Diagrams

Default Icon
37 pages
Print Icon
To Next Page IconTo Next Page
To Next Page IconTo Next Page
To Previous Page IconTo Previous Page
To Previous Page IconTo Previous Page
Loading...
Page 25
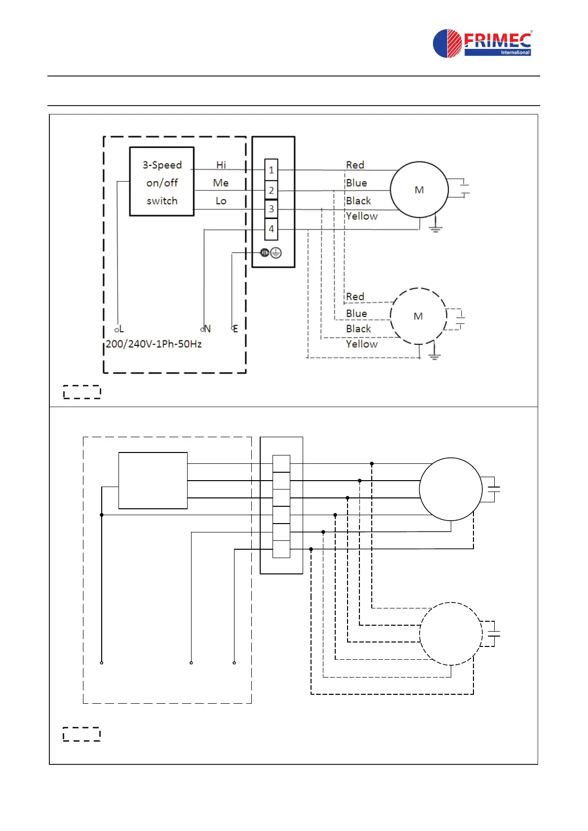
Wiring Diagrams
Model: FCR-E, FCRQ-B
Model: FCRQ-C
Field supply
Field supply
1
M
M
Hi
Me
Lo
3 - speed
on/off
switch
L
200/240V-1Ph-50Hz
N E
Red
Blue
Black
Red
Blue
Black
2
3
L
N
E
White
Yellow
Yellow&Green
White
Yellow
Yellow&Green