EasyManua.ls Logo

Fujitsu AMUG30LMAS - Refrigerant Circuit; Models: AOU24 RGLX and AOU30 RGLX

Fujitsu AMUG30LMAS
106 pages
Print Icon
To Next Page IconTo Next Page
To Next Page IconTo Next Page
To Previous Page IconTo Previous Page
To Previous Page IconTo Previous Page
Loading...
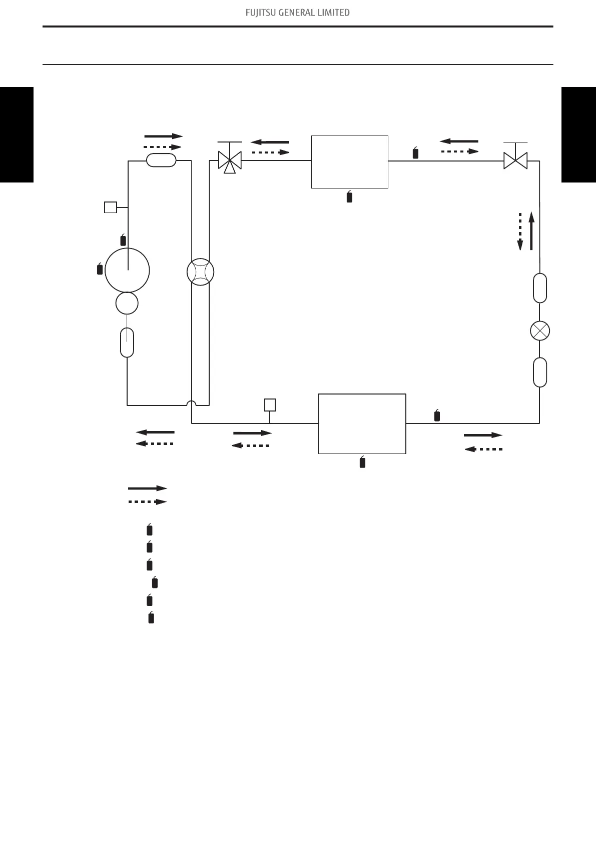
4. Refrigerant circuit
4-1. Models: AOU24RGLX and AOU30RGLX
2-Way
valve
Strainer
Strainer
3-Way
valve
Muffler
4-Way valve
Expansion valve
Heat exchanger
( INDOOR )
Heat exchanger
( OUTDOOR )
Co
mpre
s
so
r
: Cooling
: Heating
Pressure
switch
Su
b
-accumulator
Th
C
Th
R
Th
D
Th
PI
Th
O
Th
HO
Th
C
: Thermistor (Compressor temperature)
: Thermistor (Discharge temperature)
: Thermistor (Outdoor temperature)
: Thermistor (Heat exchanger Out temperature)
Th
D
Th
O
Th
HO
: Thermistor (Room temperature)
: Thermistor (Pipe temperature)
Th
R
Th
PI
Pressure
check valve
- 77 -
4-1. Models: AOU24RGLX and AOU30RGLX 4. Refrigerant circuit
OUTDOOR UNIT
AOU24-30RGLX,
AOUG36-48LMAS1
OUTDOOR UNIT
AOU24-30RGLX,
AOUG36-48LMAS1

Table of Contents

Other manuals for Fujitsu AMUG30LMAS

Related product manuals