EasyManua.ls Logo

Fujitsu AOTG24KMCA - 3. REFRIGERANT CIRCUIT

Fujitsu AOTG24KMCA
50 pages
Print Icon
To Next Page IconTo Next Page
To Next Page IconTo Next Page
To Previous Page IconTo Previous Page
To Previous Page IconTo Previous Page
Loading...
- (02 - 04) -
OUTDOOR UNIT
AOTG18-24KMCA
OUTDOOR UNIT
AOTG18-24KMCA
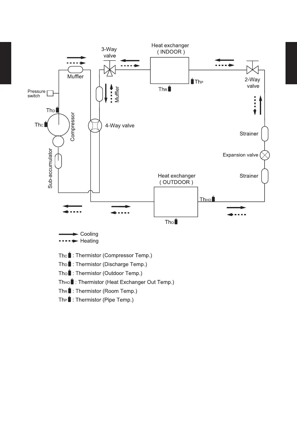
REFRIGERANT CIRCUIT3.
MODEL
: AOTG18KMCA, AOTG22KMCA, AOTG24KMCA
Refrigerant pipe diameter
Liquid: 1/4" (6.35 mm)
Gas: 1/2" (12.70 mm)

Related product manuals