EasyManua.ls Logo

Fujitsu AOTG24KMCA - 4. WIRING DIAGRAMS

Fujitsu AOTG24KMCA
50 pages
Print Icon
To Next Page IconTo Next Page
To Next Page IconTo Next Page
To Previous Page IconTo Previous Page
To Previous Page IconTo Previous Page
Loading...
- (02 - 05) -
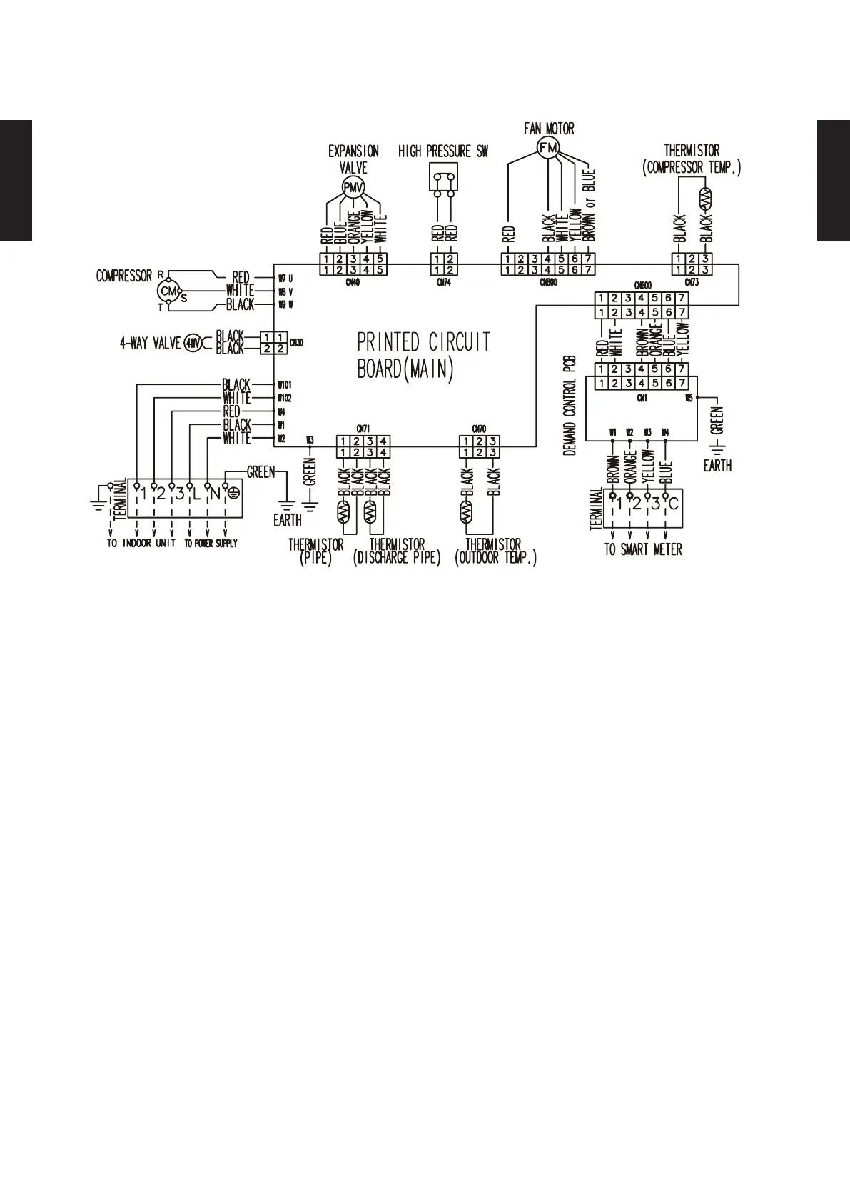
OUTDOOR UNIT
AOTG18-24KMCA
OUTDOOR UNIT
AOTG18-24KMCA
WIRING DIAGRAMS4.
MODEL
: AOTG18KMCA, AOTG22KMCA, AOTG24KMCA

Related product manuals