EasyManua.ls Logo

Fujitsu AOUH30LPAS1 - 5. Wiring Diagrams

Fujitsu AOUH30LPAS1
90 pages
Print Icon
To Next Page IconTo Next Page
To Next Page IconTo Next Page
To Previous Page IconTo Previous Page
To Previous Page IconTo Previous Page
Loading...
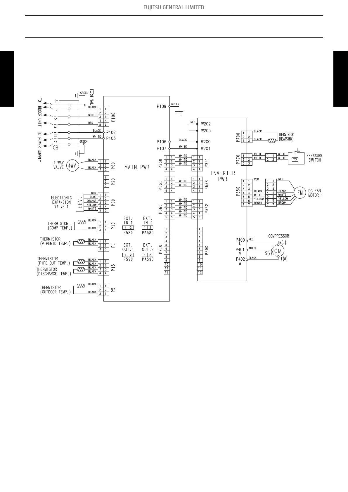
5. Wiring diagrams
5-1. Models: AOUH30LPAS1 and AOUH36LPAS1
- 69 -
5-1. Models: AOUH30LPAS1 and AOUH36LPAS1
5. Wiring diagrams
OUTDOOR UNIT
AOUH30-36LPAS1
OUTDOOR UNIT
AOUH30-36LPAS1

Table of Contents

Other manuals for Fujitsu AOUH30LPAS1

Related product manuals