EasyManua.ls Logo

Fujitsu ARXC90GBTH - Outdoor Unit

Fujitsu ARXC90GBTH
255 pages
Print Icon
To Next Page IconTo Next Page
To Next Page IconTo Next Page
To Previous Page IconTo Previous Page
To Previous Page IconTo Previous Page
Loading...
MODELS: AJ
072LELAH, AJ
090LELAH
UNITS
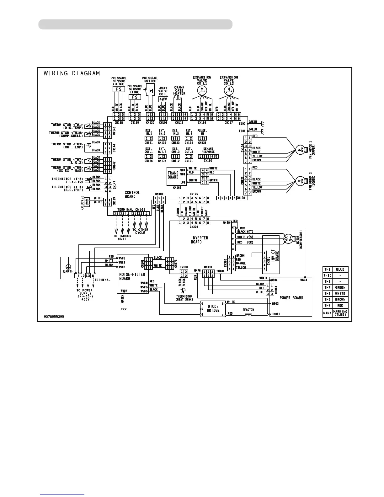
5-2-2 Outdoor Unit
05 - 18

Table of Contents

Related product manuals