EasyManua.ls Logo

Fujitsu ASHG12KMCE - Page 150

Fujitsu ASHG12KMCE
403 pages
Print Icon
To Next Page IconTo Next Page
To Next Page IconTo Next Page
To Previous Page IconTo Previous Page
To Previous Page IconTo Previous Page
Loading...
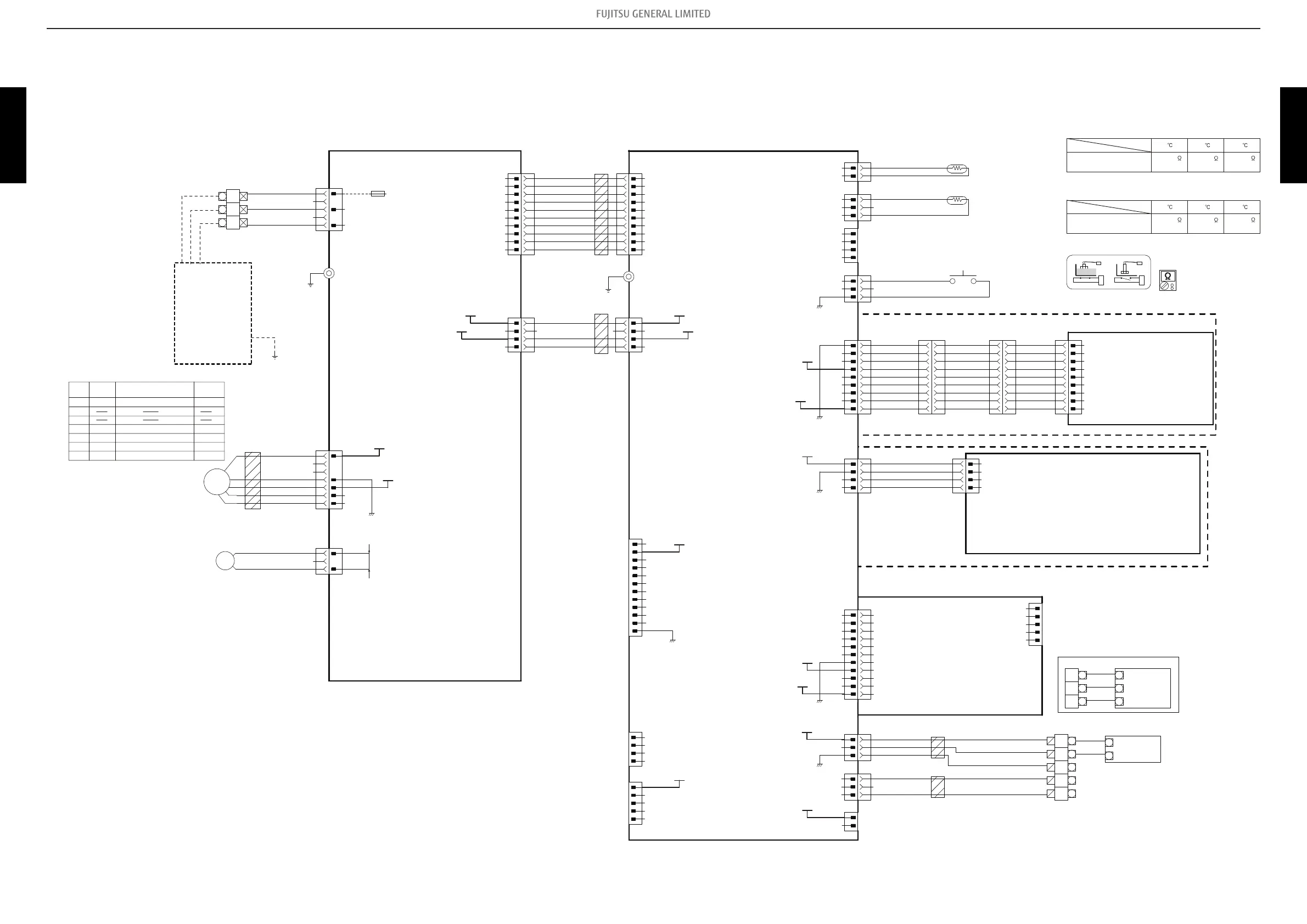
9-3. Models: ARXG07KLLAP, ARXG09KLLAP, ARXG12KLLAP, and ARXG14KLLAP
CN8-1
CN8-2
CN6-1
CN6-2
CN6-3
CN71-1
CN71-2
CN71-3
CN71-4
CN9-1
CN9-2
CN9-3
CN48-1
CN48-2
CN48-3
CN48-4
CN48-5
CN48-6
CN48-7
CN48-8
CN48-9
CN320-11
CN320-10
CN320-9
CN320-8
CN320-7
CN320-6
CN320-5
CN320-4
CN320-3
CN320-2
CN320-1
CN2-11
CN2-10
CN2-9
CN2-8
CN2-7
CN2-6
CN2-5
CN2-4
CN2-3
CN2-2
CN2-1
CN1-5
CN1-4
CN1-3
CN1-2
CN1-1
CN300-3
CN300-2
CN300-1
CN46-3
CN46-2
CN46-1
CN47-2
CN47-1
CN65-1
CN65-2
CN65-3
CN65-4
CN700-11
CN700-10
CN700-9
CN700-8
CN700-7
CN700-6
CN700-5
CN700-4
CN700-3
CN700-2
CN700-1
CN700-12
CN260-4
CN260-3
CN260-2
CN260-1
CN261-4
CN261-3
CN261-2
CN261-1
CN261-8
CN261-7
CN261-6
CN261-5
CN261-10
CN261-9
CN551-4
CN551-3
CN551-2
CN551-1
CN11-4
CN11-3
CN11-2
CN11-1
CN11-5
CN263-4
CN263-3
CN263-2
CN263-1
CN263-8
CN263-7
CN263-6
CN263-5
CN263-10
CN263-9
CN262-4
CN262-3
CN262-2
CN262-1
CN520-4
CN520-1
CN205-5
Sirial
CN520-7
CN520-6
CN520-5
CN106-2
CN106-1
CN205-3
N
CN205-1
L
UL1015
AWG16
GREEN
UL1015 AWG20 BLACK
UL1015
AWG16
GREEN
UL1430 AWG26 WHITE
UL1430 AWG26 WHITE
UL1430 AWG26 WHITE
UL1430 AWG26 WHITE
UL1430 AWG26 WHITE
UL1430 AWG26 WHITE
UL1430 AWG26 WHITE
UL1430 AWG26 WHITE
UL1430 AWG26 WHITE
UL1430 AWG26 WHITE
UL1061 AWG22 WHITE
UL1430 AWG26 WHITE
UL1430 AWG26 WHITE
UL1430 AWG22 WHITE
UL1430 AWG22 BLACK
UL1430 AWG22 RED
UL1430 AWG22 YELLOW
UL1430 AWG22 BROWN
UL1015 AWG18 YELLOW
UL1015 AWG18
YELLOW
UL1007 AWG24 BLACK
UL1007 AWG24 BLACK
UL1430 AWG26 GRAY
UL1430 AWG26 RED
UL1430 AWG26 ORANGE
UL1430 AWG26 YELLOW
UL1007 AWG22 RED
UL1007 AWG22 WHITE
UL1007 AWG22 BLACK
UL1007 AWG22 BLUE
UL1007 AWG22 ORANGE
UL1430 AWG28 x 9 SQMM 0.3 x 9
BLACK
WHITE
RED
GREEN
YELLOW
BLUE
GRAY
PURPLE
BROWN
UL1430 AWG28 x 9
BLACK
WHITE
RED
GREEN
YELLOW
BLUE
GRAY
PURPLE
BROWN
BLACK
WHITE
RED
GREEN
YELLOW
BLUE
GRAY
PURPLE
BROWN
CN1-1
CN1-2
CN1-3
CN1-4
CN1-5
CN1-6
CN1-7
CN1-8
CN1-9
GRAY
GRAY
BLACK
BLACK
CN520
B5 ( 7-2.3 ) B-XASK-1-A
WHITE
CN106
B2P3-VH-B-E
BLUE
CN205
B3 ( 8.0 ) B-PSILE-1
BLUE
W202
F200
5A
AC250V
TERMINAL
W260
CN260
B04B-XNISK-A-1
WHITE
CN261
B10B-PLIRK-1
RED
CN700
B12B-PASK-1
WHITE
CN551
B04B-PAKK-1
BLACK
CN11
B05B-XASK-1-A
WHITE
CN2
11PSL-JE
WHITE
CN1
S09B-PASK-2
WHITE
THERMISTOR ( ROOM TEMP. )
THERMISTOR ( PIPE TEMP. )
FLOAT SWITCH
CN8
B02B-XASK-1-A
WHITE
CN6
B03B-PASK-1
WHITE
CN71
B04B-XASK-1-A
WHITE
CN9
B03B-XARK-1-A
RED
CN48
B09B-PASK-1
WHITE
CN65
B04B-PASK-1
WHITE
CN320
11R-JE
WHITE
CN300
B03B-XNISK-A-1
WHITE
CN46
B3B-XH-AM
WHITE
CN47
B02B-PASK-1
WHITE
CN1
SM05B-SRSS-TB
WHITE
TERMINAL
DC FAN MOTOR
M
FM
1
2
3
CN263
B10B-PLIRK-1
RED
CN262
B04B-XNISK-A-1
WHITE
Y1
Y2
Y3
Y1
Y2
Y3
1
2
EMI FILTER
ZCAT1518-0730
2 TURNS
EMI FILTER
ZCAT1518-0730
2 TURNS
EMI FILTER
ZCAT1518-0730
1 TURN
EMI FILTER
ZCAT2132-1130
2-WIRE TYPE
REMOTE
CONTROL
UNIT
3-WIRE TYPE ( OPTION )
REMOTE
CONTROL
UNIT
EX. IN
EX. OUT
FLASH
TEST
IR RECEIVER KIT UTY-LBTYM ( OPTION )
INDICATOR PCB
K14WT-1500HSE-D0
WIRELESS LAN ADAPTER
EXAMPLE EXTERNAL INPUT AND OUTPUT ( OPTION )
COMMUNICATION PCB
( CNL NON-POLAR 2-WIRE COM. )
K14VS-1400HSE-CA0
POWER SUPPLY PCB
K16JB-1600HSE-P0
MAIN PCB
07 model : K16GW-180KHSE-C1
09 model : K16GW-1808HSE-C1
12 model : K16GW-1809HSE-C1
14 model : K16GW-1807HSE-C1
18 model : K16GW-1806HSE-C1
UL1015 AWG20 WHITE
UL1015 AWG20 RED
AC POWER SUPPLY
AC230V
50Hz
OUTDOOR UNIT
LOUVER ( UP / DOWN )
( OPTION )
UTD-GXTA-W ( 09,12,14 models )
UTD-GXTB-W ( 18 model )
POWER DRIVE
DC SUPPLY
( not used )
( not used )
CONTROL UNIT
07 model : EZ-01834HSE
09 model : EZ-0181YHSE
12 model : EZ-01820HSE
14 model : EZ-01814HSE
18 model : EZ-01813HSE
DC13V-2
DC5V-1
DC13V-1
DC5V-1
DC13V-1
DC13V-1
DC13V-1
DC13V-1
DC5V-1
DC13V-1
DC5V-1
DC340V
DC15V-1
DC13V-1
DC5V-1
CN520 DC Fan motor
1
3
4
5
6
7
Pin No.
Terminal
code
Vm
GND
Vcc
Vsp
FG
Function of terminal
Revolution pulse output
Speed control voltage input
Control power voltage input
GND
Motor power voltage input
Lead wire
color
Red
Black
White
Yellow
Brown
2
AC230V
( ON )
CN6
Thermistor Characteristics.
CN8
Thermistor Characteristics.
Thermistor ( Room temp. )
33.62 k
12.54 k
8.04 k
1.15 V
2.22 V 2.77 V
Thermistor
Temperature
( 20 ) ( 30 )
( 0 )
Thermistor ( Pipe temp. )
176.03 k
62.91 k
39.57 k
1.10 V
2.21 V 2.79 V
Thermistor
Temperature
( 20 ) ( 30 )
( 0 )
ON OFF
AC DRAIN PUMP MOTOR
*Single phase shaded-pole motor with two poles.
9-3. Models: ARXG07KLLAP, ARXG09KLLAP, ARXG12KLLAP, and ARXG14KLLAP - (02-106) - 9. PC board diagrams
TECHNICAL DATA
AND PARTS LIST
TECHNICAL DATA
AND PARTS LIST

Table of Contents

Other manuals for Fujitsu ASHG12KMCE

Related product manuals