EasyManua.ls Logo

Fujitsu ASHG12KMCE - Page 151

Fujitsu ASHG12KMCE
403 pages
Print Icon
To Next Page IconTo Next Page
To Next Page IconTo Next Page
To Previous Page IconTo Previous Page
To Previous Page IconTo Previous Page
Loading...
9-4. Models: ASHG07KGTB, ASHG09KGTB, ASHG12KGTB, and ASHG14KGTB
1
2
3
4
5
6
7
8
9
1
2
3
4
5
6
7
8
9
1
4
5
6
7
1
2
3
4
5
1
2
3
4
5
6
7
1
2
3
4
1
2
3
1
2
3
4
5
6
7
8
9
10
11
12
1
2
3
4
1
2
3
4
1
2
3
4
1
2
3
4
1
2
3
1
2
3
4
5
6
7
1
2
3
1 2 3 4 5
1
2
3
4
5
6
7
8 9 10 11 12
1
2
1
2
1
2
1
2
3
1
2
3
UL1061 AWG26 WHITE
UL1061 AWG26 WHITE
UL1061 AWG26 WHITE
UL1061 AWG26 WHITE
UL1061 AWG26 WHITE
UL1061 AWG26 WHITE
UL1061 AWG26 RED
UL1061 AWG26 WHITE
UL1061 AWG26 WHITE
UL1061 AWG26 WHITE
UL1430 AWG26 WHITE
UL1430 AWG26 WHITE
UL1430 AWG26 WHITE
UL1430 AWG26 WHITE
UL1430 AWG26 GRAY
UL1430 AWG26 GRAY
UL1430 AWG26 GRAY
UL1430 AWG26 GRAY
UL1061 AWG24 GRAY
UL1061 AWG24 RED
UL1061 AWG24 ORANGE
UL1061 AWG24 YELLOW
UL1061 AWG28 RED
UL1061 AWG28 WHITE
UL1061 AWG28 WHITE
UL1061 AWG28 WHITE
UL1061 AWG28 WHITE
UL1061 AWG28 WHITE
UL1061 AWG28 WHITE
UL1061 AWG28 WHITE
UL1061 AWG28 WHITE
UL1015 AWG22 GREEN
UL1015 AWG22 RED
UL1015 AWG22 WHITE
UL1015 AWG22 BLACK
UL1007 AWG22 WHITE
UL1007 AWG22 RED
BLACK
BLACK
BLACK
BLACK
BLACK
BLACK
F3
3.15A
AC250V
EARTH
W1
B
W2
B
W3
B
E1
B
1
2
3
L
N
S
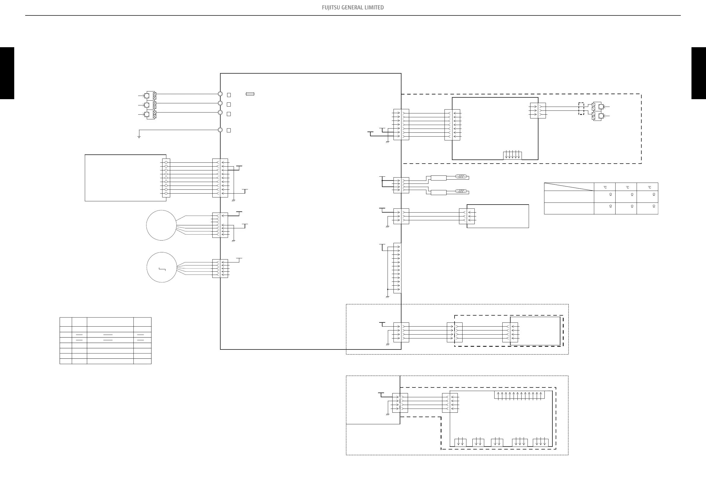
OUTDOOR UNIT
POWER SOURCE
AC230V
50Hz
RED
BLACK
WHITE
YELLOW
BLUE
RED
ORANGE
YELLOW
PINK
BLUE
J2
S04B-PASK-1
WHITE
CN308
B04B-PASK-1
WHITE
CN6
B04B-PASK-1
WHITE
CN6
B04B-PASK-1
WHITE
CN4
B12B-PASK-1
WHITE
CN10
B03B-PLISK-1
WHITE
CN1
B04B-PLIRK-1
RED
CN13
B07B-PASK-1
WHITE
CN9
B09B-PASK-1
WHITE
CN5
B5 ( 7-2.3 ) B-XASK-1-A
WHITE
CN7
B05B-PLISK-1
WHITE
CN200
JB20-09HG
WHITE
CN1
B03B-PLISK-1
WHITE
THERMISTOR ( PIPE TEMP. )
THERMISTOR ( ROOM TEMP. )
CN1
SM05B-SRSS-TB
WHITE
FLASH
CN301
B07B-PASK-1
WHITE
CN300
B03B-XNISK-A-1
WHITE
EMI FILTER
ZCAT1518-0730
2 TURNS
REMOTE CONTROL
( 2-WIRE )
DC FAN MOTOR
LOUVER ( UP / DOWN )
INDICATOR PCB
K16JR-1600HSE-D0
FM
M
PYROELECTRIC SENSOR
FJZ-10 or FJZ-8
OPTION UNIT ( 2-WIRE REMOTE CONTROL )
UTY-TWRXZ2
2-WIRE COM. PCB
K16JS-1600HSE-CA0
FLASH
CN309
B12B-PASK-1
WHITE
EX. OUT1 EX. OUT2 EX. OUT3
EX. IN1 EX. IN2
CN314
B3B-XH-AM
WHITE
CN313
B3B-XH-AM
WHITE
CN312
B2B-XH-AM
WHITE
CN311
B2B-XH-AM
WHITE
CN310
B2B-XH-AM
WHITE
EX. INPUT AND OUTPUT PCB
K14YM-1500HSE-CA0
OPTION UNIT ( EXTERNAL INPUT AND OUTPUT )
UTY-XCSXZ2
OPTION UNIT ( WIRELESS LAN ADAPTER )
UTY-TFSXW1
WIRELESS LAN ADAPTER
MAIN PCB
07 model : K16JQ-2000HSE-C1
09 model : K16JQ-2001HSE-C1
12 model : K16JQ-2002HSE-C1
14 model : K16JQ-2003HSE-C1
Option unit : One of the type A or the type B is chosen.
TYPE B
TYPE A
TEST
UART
UART
CONTROL UNIT
07 model : EZ-0183LHSE
09 model : EZ-0183MHSE
12 model : EZ-0183PHSE
14 model
: EZ-0183RHSE
DC12V
DC12V
DC5V
DC5V-2
DC5V
DC12V
DC12V
DC340V
DC15V
DC5V
DC12V
CN5 DC Fan motor
7
6
4
3
2
1
Pin No.
Terminal
code
Vm
GND
Vcc
Vsp
PG
Function of terminal
Revolution pulse output
Speed control voltage input
Control power voltage input
GND
Motor power voltage input
Lead wire
color
Red
Black
White
Yellow
Blue
5
CN1 Thermistor Characteristics.
Thermistor
Thermistor ( Pipe temp. )
176.03 k
62.91 k
39.57 k
1.10 V
2.21 V 2.79 V
Thermistor ( Room temp. )
33.62 k
12.54 k
8.04 k
1.15 V
2.22 V 2.77 V
Temperature
( 20 ) ( 30 )
( 0 )
DC5V-2
9-4. Models: ASHG07KGTB, ASHG09KGTB, ASHG12KGTB, and ASHG14KGTB - (02-107) - 9. PC board diagrams
TECHNICAL DATA
AND PARTS LIST
TECHNICAL DATA
AND PARTS LIST

Table of Contents

Other manuals for Fujitsu ASHG12KMCE

Related product manuals