EasyManua.ls Logo

Fujitsu ASHG12KMCE - Page 154

Fujitsu ASHG12KMCE
403 pages
Print Icon
To Next Page IconTo Next Page
To Next Page IconTo Next Page
To Previous Page IconTo Previous Page
To Previous Page IconTo Previous Page
Loading...
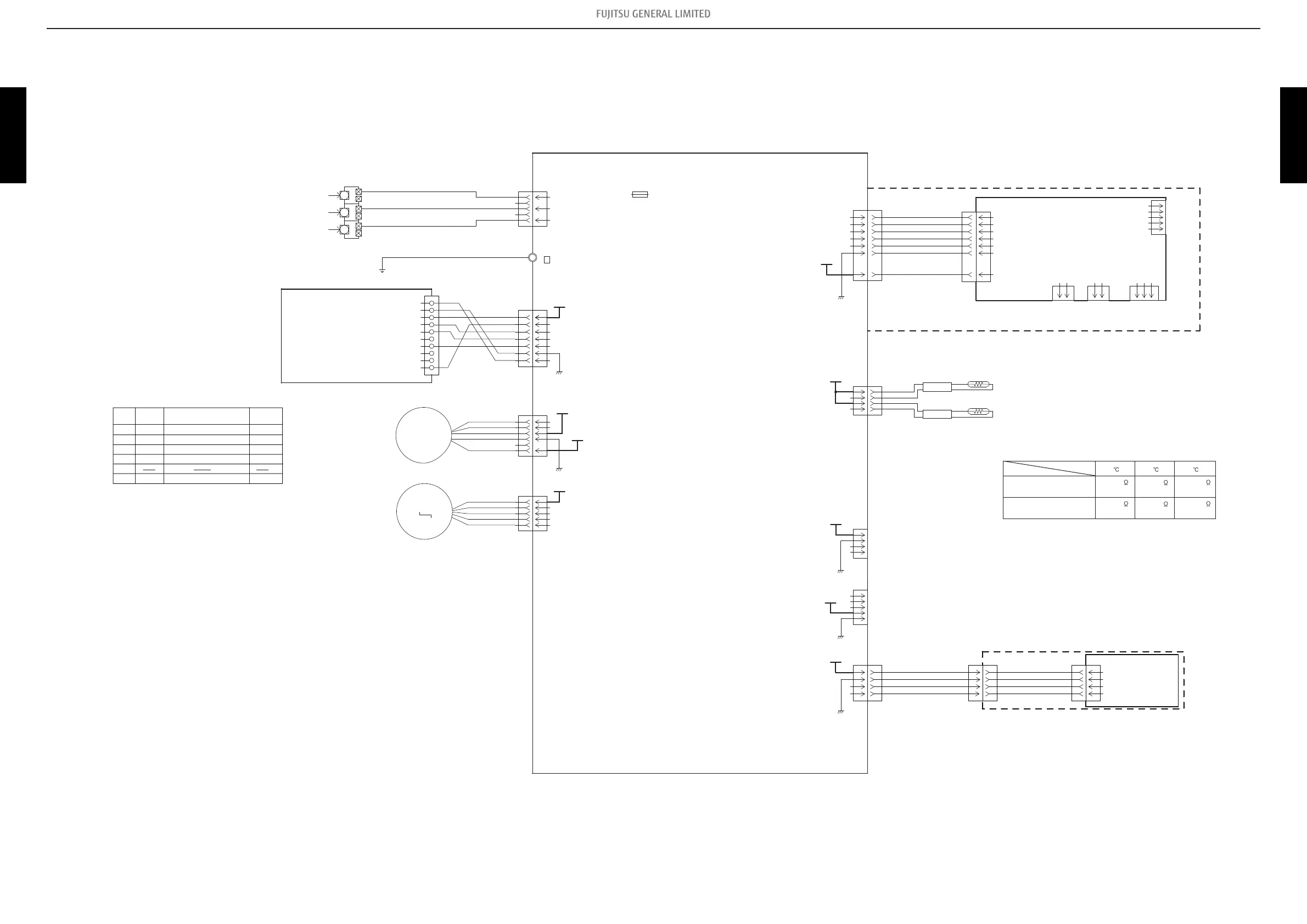
9-7. Models: ASHG07KMCC, ASHG09KMCC, ASHG12KMCC, and ASHG14KMCC
1
3
5
1
2
3
4
6
1
2
3
4
5
1
2
3
4
5
6
9
1
2
3
4
1
2
3
4
1
2
3
4
5
1
2
3
4
1
2
3
4
5
6
9
1
2
3
4
5
1 2 31 21 2
WHITE
YELLOW
BLUE
BLACK
RED
RED
ORANGE
YELLOW
PINK
BLUE
BLACK
BLACK
BLACK
BLACK
BLACK
BLACK
UL1007 AWG24 x 7
*7PLI/PLI L250 #24/1007
WHITE
WHITE
WHITE
WHITE
WHITE
WHITE
WHITE
UL1015 AWG22 GREEN
RED
WHITE
BLACK
UL1015 AWG22 x 3
UL1061 AWG28 WHITE x 7
EARTH
W4
B
CN7
B5 ( 6-5 ) B-XARK-1-A
RED
CN10
B05B-PLISK-1
WHITE
CN12
B04B-PASK-1
WHITE
CN6
B5B-PH-K-S
WHITE
CN11
B4B-PH-K-S
WHITE
CN4
B04B-PLIRK-1
RED
CN2
B7 ( 9-7.8 ) B-PLISK
WHITE
CN1
2013485-1
WHITE
F1
3.15A 250V
CND01
B7 ( 9-7.8 ) B-PLISK
WHITE
1
2
3
L
N
S
FM
M
LOUVER ( UP / DOWN )
DC FAN MOTOR
THERMISTOR ( PIPE TEMP. )
THERMISTOR ( ROOM TEMP. )
CNC01
B05B-XASK-1-A
WHITE
CNB01
B2B-XH-AM
WHITE
CNB02
B2B-XH-AM-BK
BLACK
CNA01
B3B-XH-AM
WHITE
OUTDOOR UNIT
POWER SOURCE
AC230V
50Hz
MAIN PCB
07 model : K15CA-2000HSE-C1
: K15CA-2001HSE-C109 model
: K15CA-2002HSE-C112 model
: K15CA-2003HSE-C114 model
CONTROL UNIT
07 model : EZ-019CHSE
09 model : EZ-019DHSE
12 model : EZ-019EHSE
14 model : EZ-019FHSE
COMMUNICATION PCB
K10DC-1000HSE-CA0
COMMUNICATION KIT ( OPTION )
UTY-TWBXF2
WIRELESS LAN ADAPTER ( OPTION )
UTY-TFSXW1 ( AP-WD1E )
REMOTE
CONTROL
EX. OUT* ERROR* EX. IN*
FLASH
TEST
DC5V
DC340V
D
DC13V
DC340V
D
DC5V
A
DC5V
A
A
DC13V
CN7 DC Fan motor
1
2
3
4
5
6
Pin No.
Terminal
code
Vm
GND
Vcc
Vsp
FG
Function of terminal
Revolution pulse output
Speed control voltage input
Control power voltage input
GND
Motor power voltage input
Lead wire
color
Blue
White
Black
Yellow
Red
CN4
Thermistor Characteristics.
Thermistor ( Pipe temp. )
176.03 k
62.91 k
39.57 k
1.10 V
2.21 V 2.79 V
(20 ) (30 )
( 0 )
Thermistor
Temperature
Thermistor ( Room temp. )
33.62 k
12.54 k
8.04 k
1.15 V
2.22 V 2.77 V
1
2
3
4
5
6
7
CN3
SZT15-07WS
WHITE
DC5V
A
1
2
3
4
5
6
7
8
9
10
INDICATOR PCB
K18RB-1900HSE-D0
CN200
JB20-10HG
WHITE
UL1061 AWG24 YELLOW
UL1430 AWG26 WHITE x 4
(*WIRE w/CONNECTOR
4-PA/PAL L230#26/1430)
UL1061 AWG24 ORANGE
UL1061 AWG24 RED
UL1061 AWG24 GRAY
1
2
3
4
J2
S04B-PASK-1
WHITE
WIRELESS LAN ADAPTER
*External connect kit ( OPTION )
UTY-XWZXZ5
DC5V
9-7. Models: ASHG07KMCC, ASHG09KMCC, ASHG12KMCC, and ASHG14KMCC - (02-110) - 9. PC board diagrams
TECHNICAL DATA
AND PARTS LIST
TECHNICAL DATA
AND PARTS LIST

Table of Contents

Other manuals for Fujitsu ASHG12KMCE

Related product manuals