EasyManua.ls Logo

Fujitsu ASHG12KMCE - Page 155

Fujitsu ASHG12KMCE
403 pages
Print Icon
To Next Page IconTo Next Page
To Next Page IconTo Next Page
To Previous Page IconTo Previous Page
To Previous Page IconTo Previous Page
Loading...
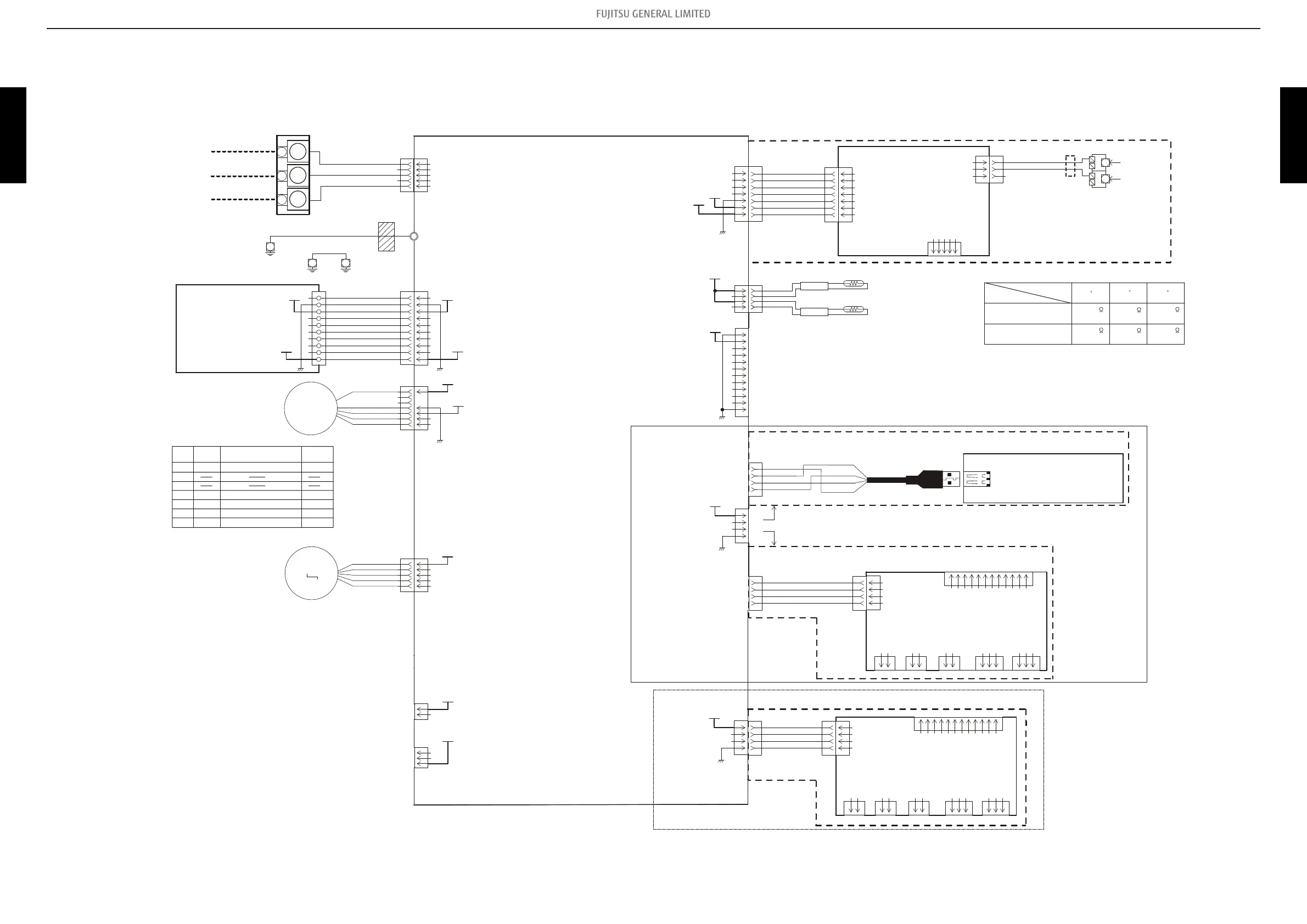
9-8. Models: ASHG07KMCE, ASHG09KMCE, ASHG12KMCE, and ASHG14KMCE
AWG26
WHITE
AWG26
RED
AWG26
WHITE
AWG26
WHITE
AWG26 WHITE
AWG26 WHITE
AWG26
WHITE
AWG22 WHITE
AWG22 RED
7
6
5
4
3
2
1
7
6
5
4
3
2
1
3
2
1
CN13
B07B-PASK-1
WHITE
CN301
B07B-PASK-1
WHITE
CN300
B03B-XNISK-A-1
WHITE
CN1
SM05B-SRSS-TB
WHITE
COMMUNICATION PCB
K16JS-1600HSE-CA0
FLASH
EMI FILTER
ZCAT1518-0730
2 TURNS
REMOTE
CONTROLLER
( 2-WIRE )
MAIN PCB
07 model : K20AZ-2101HSE-C1
09 model : K20AZ-2102HSE-C1
12 model : K20AZ-2103HSE-C1
14 model : K20AZ-210HHSE-C1
DC12V
DC5V
BLACK
BLACK
BLACK
BLACK
BLACK
BLACK
4
3
2
1
CN1
B04B-PLIRK-1
RED
THERMISTOR ( ROOM TEMP. )
THERMISTOR ( PIPE TEMP. )
DC5V-2
12
11
10
9
8
7
6
5
4
3
2
1
CN4
B12B-PASK-1
WHITE
TEST
DC5V
UL1430 AWG26 x 4
WHITE
RED
BLACK
GREEN
CN75
B04B-PAKK-1
BLACK
4
3
2
1
DC12V-3
( 4 BLACK )
( 3 GREEN )
( 2 WHITE )
( 1 RED )
J2
USB5-A4M2-KNSO-01
WHITE
AWG26
GRAY
AWG26
GRAY
AWG26
GRAY
AWG26
GRAY
1 2 3 4 5 6 7 8 9 10 11 12
1 2 3
1 2 3
1 21 21 2
1
2
3
4
CN308
B04B-PASK-1
WHITE
CN309
B12B-PASK-1
WHITE
CN314
B3B-XH-AM
WHITE
CN313
B3B-XH-AM
WHITE
CN312
B2B-XH-AM
WHITE
CN311
B2B-XH-AM
WHITE
CN310
B2B-XH-AM
WHITE
COMMUNICATION PCB
K14YM-1500HSE-CA0
EX. OUT1 EX. OUT2
EX. OUT3 EX. IN1
EX. IN2
FLASH
AWG26 GRAY
AWG26 GRAY
AWG26
GRAY
AWG26
GRAY
CN65
B04B-PASK-1
WHITE
4
3
2
1
DC12V-3
1 2 3 4 5 6 7 8 9 10 11 12
1 2 3
1 2 3
1 21 21 2
1
2
3
4
CN308
B04B-PASK-1
WHITE
CN309
B12B-PASK-1
WHITE
CN314
B3B-XH-AM
WHITE
CN313
B3B-XH-AM
WHITE
CN312
B2B-XH-AM
WHITE
CN311
B2B-XH-AM
WHITE
CN310
B2B-XH-AM
WHITE
COMMUNICATION PCB
K14YM-1500HSE-CA0
EX. OUT1 EX. OUT2
EX. OUT3 EX. IN1
EX. IN2
FLASH
AWG28 WHITE
AWG28
WHITE
AWG28
WHITE
AWG28
WHITE
AWG28 WHITE
AWG28
WHITE
AWG28
WHITE
AWG28 WHITE
AWG28
WHITE
AWG28
WHITE
10
9
8
7
6
5
4
3
2
1
10
9
8
7
6
5
4
3
2
1
CN9
B10B-PASK-1
WHITE
CN200
S10B-PASK-2
WHITE
INDICATOR PCB
K18RB-1801HSE-D0
DC12V
DC5V
RED
WHITE
BLACK
YELLOW
BLUE
RED
ORANGE
YELLOW
PINK
BLUE
7
6
5
4
1
5
4
3
2
1
CN5
B5 ( 7-2.3 ) B-XASK-1-A
WHITE
CN7
B05B-PLISK-1
WHITE
LOUVER ( UP / DOWN )
DC FAN MOTOR
FM
M
DC340V
DC15V
GND_A2
DC12V
E1
CN14
B3 ( 5.0 ) B-XASK-1-A
WHITE
5
4
3
2
1
EARTH
AWG22 WHITE
AWG22 BLACK
AWG22 RED
UL1015 AWG16
GREEN
UL1015 AWG20
GREEN
EMI FILTER
ZC7KT 14X8X4
3 TURNS
1
2
3
OUTDOOR UNIT
POWER SOURCE
AC230V
50Hz
L
N
SERIAL
TERMINAL
JXO-T3102-3P-B
CN47
B2B-XH-AM
WHITE
CN46
B3B-XH-AM
WHITE
EX. IN
EX. OUT
3
2
1
2
1
DC12V
DC5V
OR
CONTROL UNIT
07 model : EZ-0210FHSE
09 model : EZ-0216HSE
12 model : EZ-0217HSE
14 model : EZ-0218HSE
CN5 DC Fan motor
1
3
4
5
6
7
Pin No.
Terminal
code
Vm
GND
Vcc
Vsp
FG
Function of terminal
Revolution pulse output
Speed control voltage input
Control power voltage input
GND
Motor power voltage input
Lead wire
color
Red
Black
White
Yellow
Blue
2
TYPE A
OPTION (WIRELESS LAN ADAPTER KIT)
UTY-TFSXF2 (USB) or UTY-TFSXH3 (Built in)
*Either A or B can be connected.
*Only type B can be connected.
OPTION (EXTERNAL INPUT AND OUTPUT UNIT)
UTY-XCSXZ2
OPTION (2-WIRE REMOTE CONTROLLER UNIT)
UTY-TWRXZ2
12345
WIRELESS LAN ADAPTER
AP-WF2E or AP-WH3E
TYPE B
( EX. COM1 )
( EX. COM2 )
*Examples of USB adapter connection.
AC POWER
GND_B4
GND_B2
GND_B2
GND_B4
GND_B2
DC5V
DC12V
CN1 Thermistor Characteristics.
Thermistor
Thermistor ( Pipe temp. )
176.03 k
62.91 k
39.57 k
1.10 V
2.21 V 2.79 V
Thermistor ( Room temp. )
33.62 k
12.54 k
8.04 k
1.15 V
2.22 V 2.77 V
Temperature
0
20
30
C
C
C
OPTION (EXTERNAL INPUT AND OUTPUT UNIT)
UTY-XCSXZ2
TYPE B
9-8. Models: ASHG07KMCE, ASHG09KMCE, ASHG12KMCE, and ASHG14KMCE - (02-111) - 9. PC board diagrams
TECHNICAL DATA
AND PARTS LIST
TECHNICAL DATA
AND PARTS LIST

Table of Contents

Other manuals for Fujitsu ASHG12KMCE

Related product manuals