EasyManua.ls Logo

Fujitsu ASHG18LFCA - Wall Mounted Type

Fujitsu ASHG18LFCA
413 pages
Print Icon
To Next Page IconTo Next Page
To Next Page IconTo Next Page
To Previous Page IconTo Previous Page
To Previous Page IconTo Previous Page
Loading...
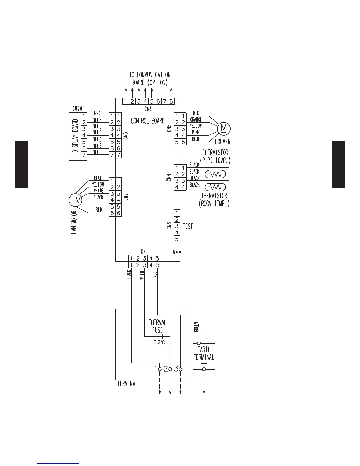
4. INDOOR UNITS
WALL MOUNTED TYPE5-3.
MODELS : AS
G07LJCA, AS
G09LJCA, AS
G12LJCA
    
INDOOR
UNITS
INDOOR
UNITS

Table of Contents

Related product manuals