EasyManua.ls Logo

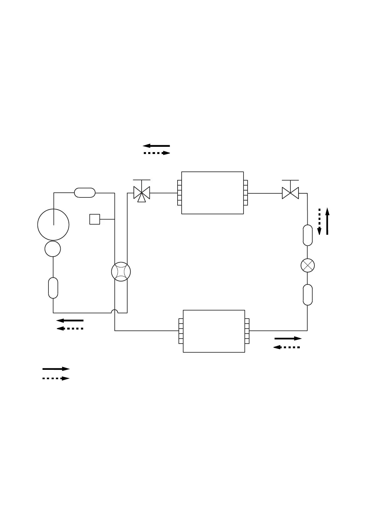
Fujitsu ASU18RLXS - Refrigerant System Diagram

Fujitsu ASU18RLXS
28 pages
Print Icon
To Next Page IconTo Next Page
To Next Page IconTo Next Page
To Previous Page IconTo Previous Page
To Previous Page IconTo Previous Page
Loading...
REFRIGERANT
SYSTEM DIAGRAM
3-Way valve
(Small)
3-Way valve
(Large)
Strainer
Strainer
Muffler
Pressure
switch
4-Way valve
Expansion
valve
Heat exchanger
( INDOOR )
Heat exchanger
( OUTDOOR )
Sub-accumulator
Compressor
Refrigerant pipe diameter
Liquid : 3/8" (9.52 mm)
Gas : 5/8" (15.88 mm)
Cooling flow
Heating flow
2010.02.26 4

Related product manuals