EasyManua.ls Logo

Fujitsu ASU9RLF - Wiring Diagrams

Fujitsu ASU9RLF
55 pages
Print Icon
To Next Page IconTo Next Page
To Next Page IconTo Next Page
To Previous Page IconTo Previous Page
To Previous Page IconTo Previous Page
Loading...
-
(
02 - 08
)
-
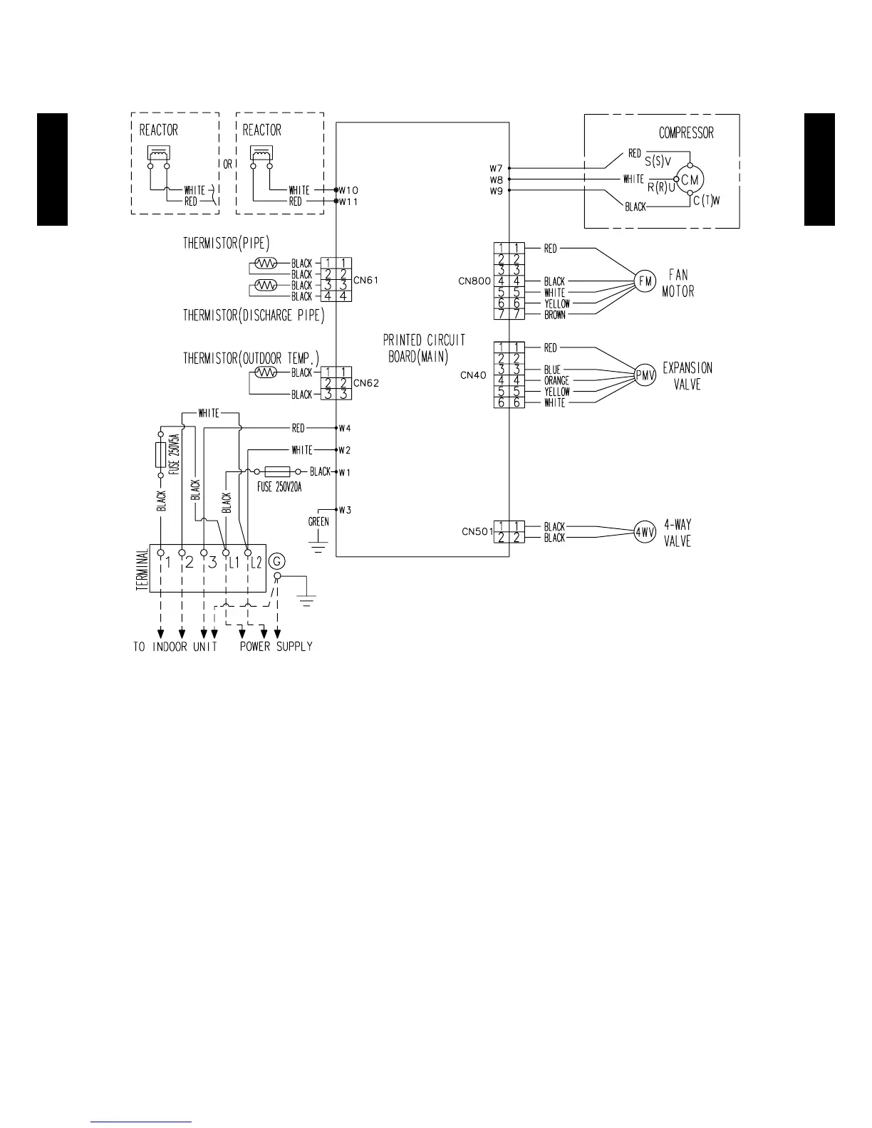
OUTDOOR UNIT
AOU9-15RL
OUTDOOR UNIT
AOU9-15RL
WIRING DIAGRAMS4.
MODEL
:AOU9RLFW

Other manuals for Fujitsu ASU9RLF

Related product manuals