EasyManua.ls Logo

Fujitsu ASU9RLF - Page 44

Fujitsu ASU9RLF
55 pages
Print Icon
To Next Page IconTo Next Page
To Next Page IconTo Next Page
To Previous Page IconTo Previous Page
To Previous Page IconTo Previous Page
Loading...
-
(
02 - 10
)
-
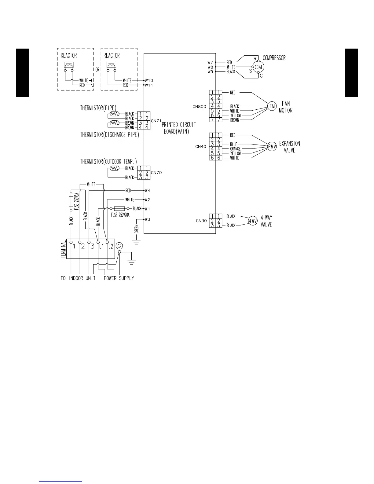
OUTDOOR UNIT
AOU9-15RL
OUTDOOR UNIT
AOU9-15RL
MODEL
: AOU15RLS

Other manuals for Fujitsu ASU9RLF

Related product manuals