EasyManua.ls Logo

Fujitsu ASYG09KMCC - Refrigerant Circuit; Model: AOYG30 KBTA4

Fujitsu ASYG09KMCC
567 pages
Print Icon
To Next Page IconTo Next Page
To Next Page IconTo Next Page
To Previous Page IconTo Previous Page
To Previous Page IconTo Previous Page
Loading...
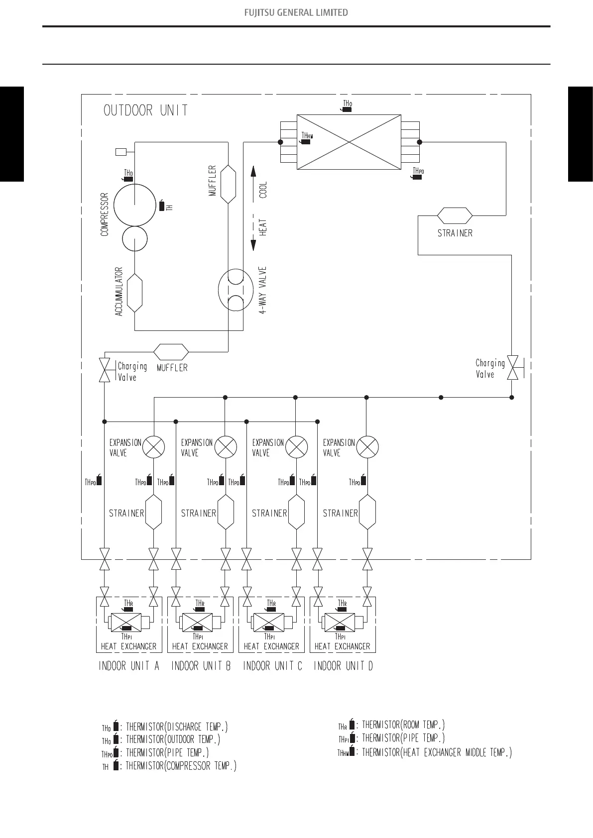
4. Refrigerant circuit
4-1. Model: AOYG30KBTA4
C
C
Pressure
switch
CONDENSER
- 388 -
4-1. Model: AOYG30KBTA4
4. Refrigerant circuit
OUTDOOR UNIT
AOYG30KBTA4
OUTDOOR UNIT
AOYG30KBTA4

Table of Contents

Other manuals for Fujitsu ASYG09KMCC

Related product manuals