EasyManua.ls Logo

Fujitsu ASYG09LJCA - 5. Indoor Unit Wiring Diagrams; 5-1. Compact Cassette Type

Fujitsu ASYG09LJCA
413 pages
Print Icon
To Next Page IconTo Next Page
To Next Page IconTo Next Page
To Previous Page IconTo Previous Page
To Previous Page IconTo Previous Page
Loading...
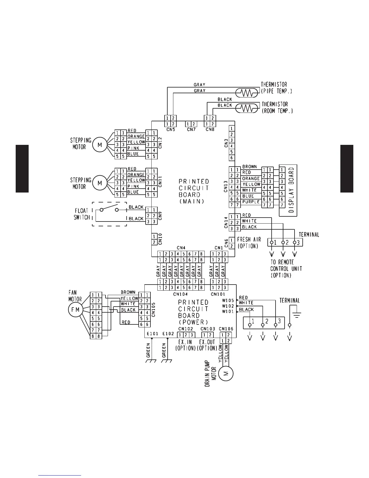
4. INDOOR UNITS
WIRING DIAGRAMS5.
COMPACT CASSETTE TYPE5-1.
MODELS : AU
G07LVLA, AU
G09LVLA, AU
G12LVLA,
AU
G14LVLA, AU
G18LVL A,
AU
G12LVLB, AU
G14LVLB, AU
G18LVLB
    
INDOOR
UNITS
INDOOR
UNITS

Table of Contents

Other manuals for Fujitsu ASYG09LJCA

Related product manuals