EasyManua.ls Logo

Fujitsu ASYG09LJCA - Page 290

Fujitsu ASYG09LJCA
413 pages
Print Icon
To Next Page IconTo Next Page
To Next Page IconTo Next Page
To Previous Page IconTo Previous Page
To Previous Page IconTo Previous Page
Loading...
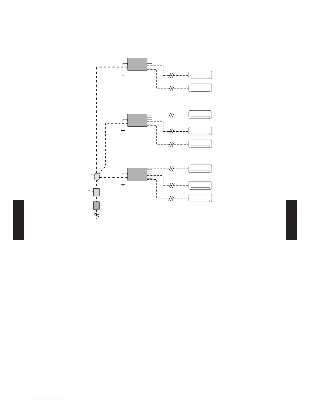
6. SYSTEM DESIGN
Example 3 (Branch box & indoor unit)
Branch box - Indoor unit Power supply
1ø 230V 50Hz
Earth leakage
breaker
Circuit breaker
(over current)
Junction box
Branch box
Branch box
Branch box
Indoor units
- (06 - 42) -
SYSTEM
DESIGN
SYSTEM
DESIGN

Table of Contents

Other manuals for Fujitsu ASYG09LJCA

Related product manuals