EasyManua.ls Logo

Fujitsu ASYG24KLCA - 3-1. Models: ASYG18 KLCA and ASYG24 KLCA

Fujitsu ASYG24KLCA
47 pages
Print Icon
To Next Page IconTo Next Page
To Next Page IconTo Next Page
To Previous Page IconTo Previous Page
To Previous Page IconTo Previous Page
Loading...
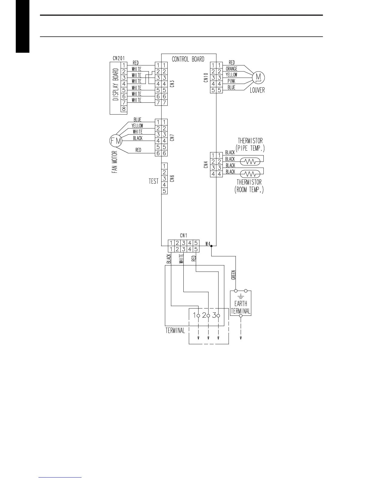
3. Wiring diagrams
3-1. Models: ASYG18KLCA and ASYG24KLCA
DESIGN & TECHNICAL MANUAL
- 6 -
WALL MOUNTED
ASYG18, 24KLCA

Related product manuals