EasyManua.ls Logo

Fujitsu AUU36RCLX - AOU42 RLX Outdoor PCB Diagrams

Fujitsu AUU36RCLX
45 pages
Print Icon
To Next Page IconTo Next Page
To Next Page IconTo Next Page
To Previous Page IconTo Previous Page
To Previous Page IconTo Previous Page
Loading...
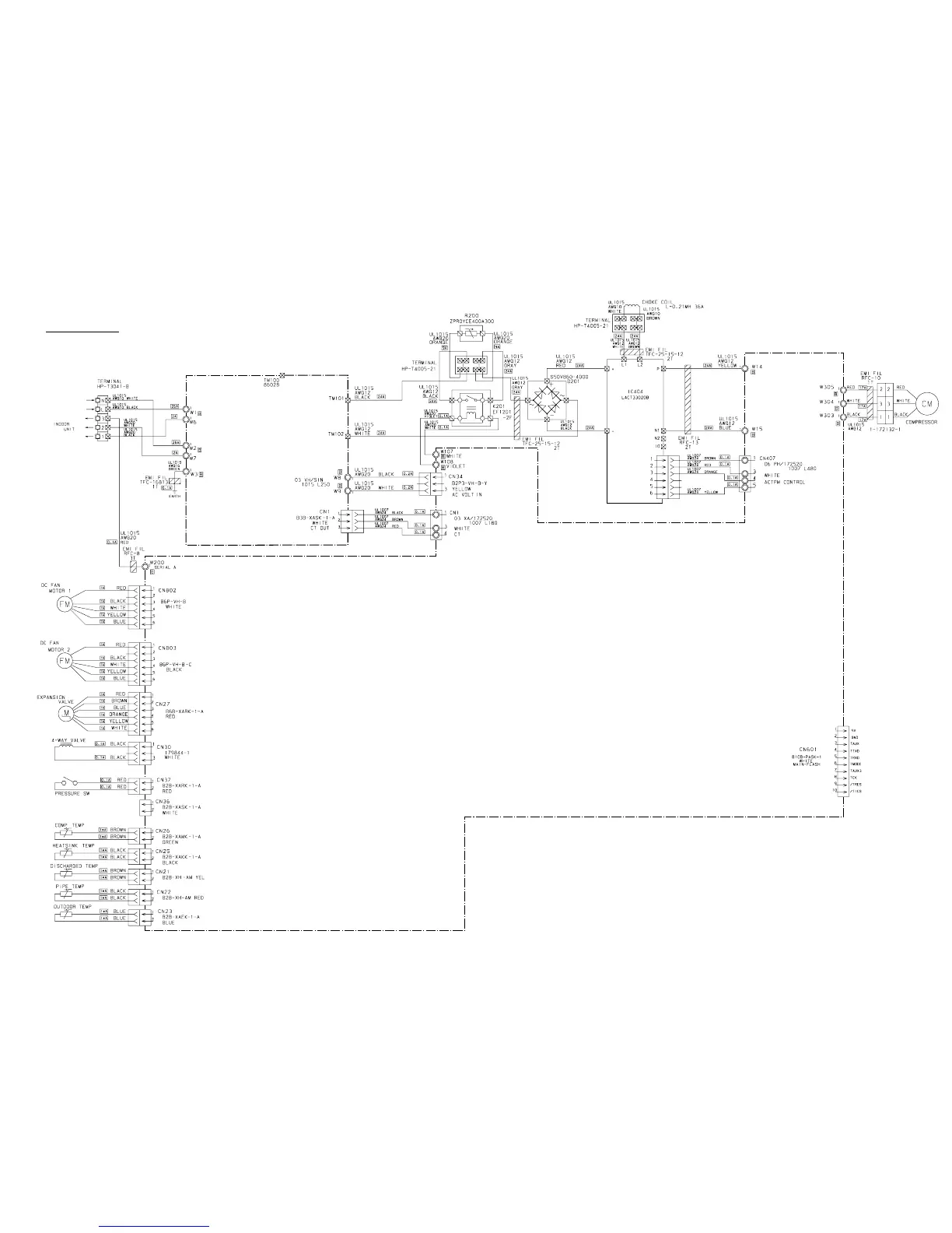
Model : AOU42RLX
AC230V
60Hz
POWER SUPPLY PCB
K04BA-0502HUE-P0
CONTROLLER PCB ASSY
K04AW-0505HUE-C1
INVERTER ASSY
EZ-005KHUE
2005.12.23 17

Related product manuals